lemon-mirror:
Home >> Hyundai >> 2005 >> Tucson L4-2.0L >> Repair and Diagnosis >> Diagrams >> Exploded Views >> Electronic Brake Control Module >> ABS Without TCS or ESP

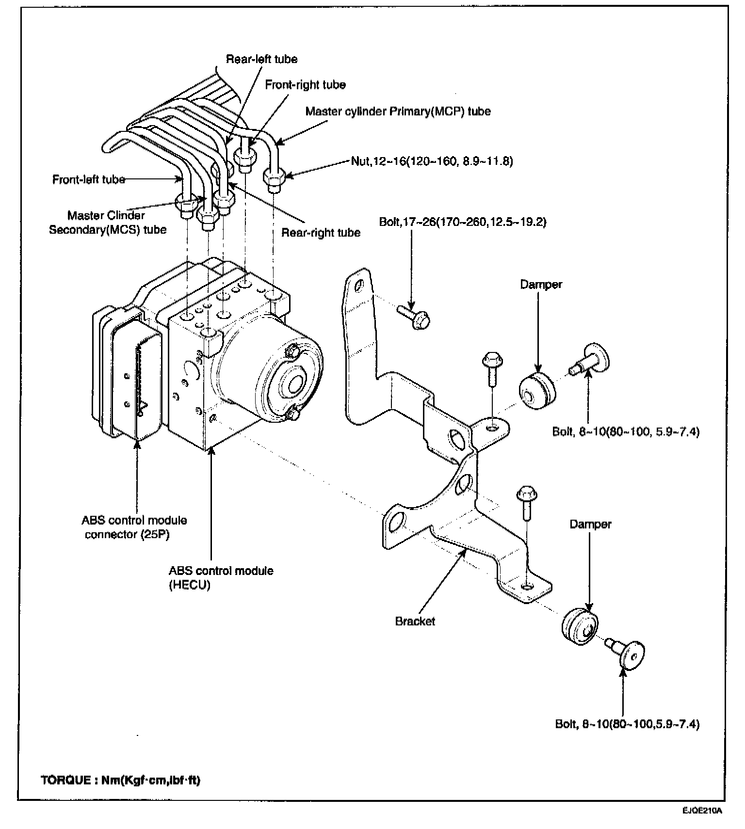
ABS Without TCS or ESP