lemon-mirror:
Home >> Hyundai >> 2005 >> Sonata L4-2.4L >> Repair and Diagnosis >> Powertrain Management >> Computers and Control Systems >> Air Flow Meter/Sensor >> Testing and Inspection

Air Flow Meter/Sensor: Testing and Inspection

MASS AIR FLOW SENSOR (MAFS)

AIR FLOW SENSOR (AFS): MASS AIR FLOW (MAF) SENSOR & INTAKE AIR TEMPERATURE SENSOR (IATS)
This hot film type Air Flow Sensor (AFS) is composed of a hot film sensor, housing and metering duct (hybrid sensor element). Mass air flow rate is
measured because the change of the mass air flow rate causes a change in the amount of heat being transferred from the hot film probe surface to the air flow. The air flow sensor generates a pulse so it repeatedly opens and closes between the 5 V voltage supplied from the ECM. The intake air temperature sensor (ATS), located in the intake air hose, is a resistor-based sensor for detecting the intake air temperature. The intake air temperature information from the sensor helps the ECM provide the necessary fuel injection.


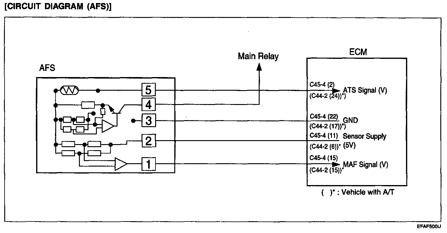
Circuit Diagram (AFS):






Harness Connector:






Characteristic Of MAF:











Output Voltage Of MAF:






Troubleshooting Procedures (MAF):






TROUBLESHOOTING HINTS
1. If the engine stalls occasionally, start the engine and shake the MAF sensor harness. If the engine stalls, check for poor contact at the MAF sensor connector.
2. If the MAF sensor output voltage is other than 0 when the ignition switch is turned on (do not start the engine), check for a faulty MAF sensor or ECM.

Harness Inspection Procedures (MAF):




3. If the engine can idle even if the MAF sensor output voltage is out of specification, check for the following conditions;
- Disturbed air flow in the MAF sensor, disconnected air duct, and clogged air cleaner filter.
- Poor combustion in the cylinder, faulty ignition plug, ignition coil, injector, and incorrect comparison.

4. Even if no MAF malfunction occurs, check the mounting direction of the MAF.

CAUTION:
- When the vehicle is new (within initial operation of about 500 km (300 miles), the Mass Air Flow (MA F) Sensor air quantity will be about 10% higher.
- Use an accurate digital voltmeter.
- Before checking, warm up the engine until the engine coolant temperature reaches 80 to 90 °C (176 to 198 °F).












Troubleshooting Procedure (ATS):






TROUBLESHOOTING HINTS
The MIL is turned ON and DTC (Diagnostic Trouble Code) displayed on Hi-scan under the conditions as below:
1. The manifold pressure indicates 118 mb or less for 0.1 second when the ignition key is turned on.
2. The manifold pressure indicates 118 mb or less when the rate is 1980 rpm or less.
3. The rate is 2400 rpm or above when the manifold pressure indicates 986 mb or above, or the accelerator pedal is released (on deacceleration).

Harness Inspection Procedures (ATS):