lemon-mirror:
Home >> Hyundai >> 2005 >> Elantra L4-2.0L >> Repair and Diagnosis >> Powertrain Management >> Computers and Control Systems >> Throttle Position Sensor >> Locations

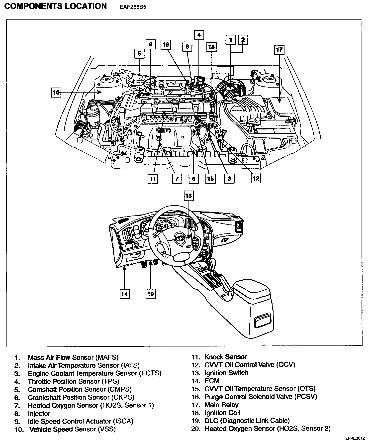
Throttle Position Sensor: Locations

Photo 26:



Detail:



Engine View: