lemon-mirror:
Home >> Hyundai >> 2004 >> XG 350 V6-3.5L >> Repair and Diagnosis >> Diagrams >> Exploded Views >> Radiator

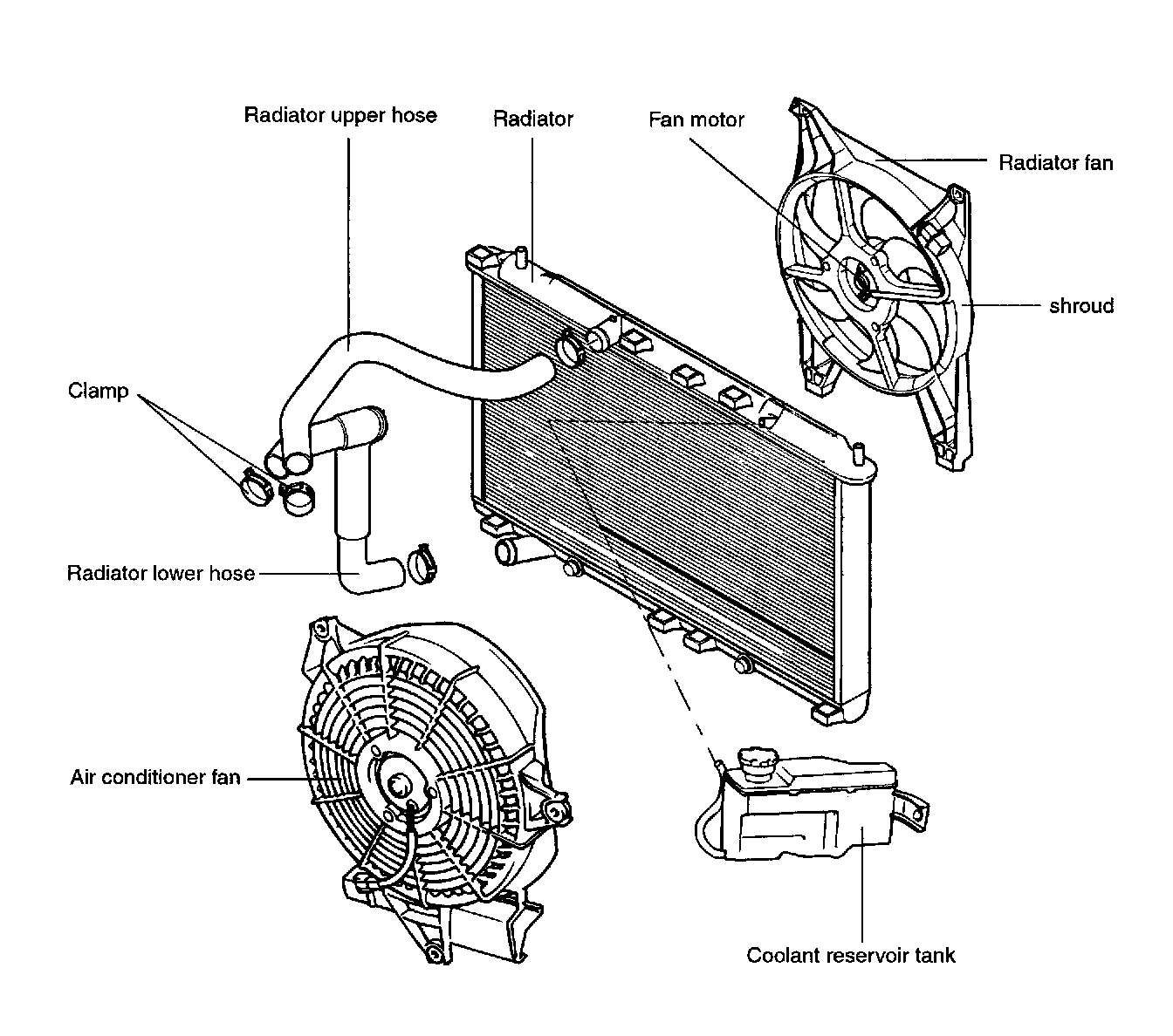
Radiator