lemon-mirror:
Home >> Hyundai >> 2004 >> Tiburon L4-2.0L >> Repair and Diagnosis >> Specifications >> Mechanical Specifications >> Engine >> Cylinder Block Assembly >> System Specifications

System Specifications

General Specifications

Bore 82 mm (3.228 in.)
Stroke 93.5 mm (3.681 in.)
Cylinder bore 82.00 - 82.03 mm (3.2289 - 3.2295 in.)
Out-of-round taper of cylinder bore Less than 0.01 mm (0.0004 in.)
Clearance with piston (To set limits to new parts) 0.02 - 0.04 mm (0.0008 - 0.0016 in.)
Piston
O.D. (To set limits to new parts) 81.97 - 82.00 mm (3.2271 - 3.2283 in.)
Service oversize 0.25, 0.50 mm (0.010, 0.020 in.)
Piston ring
Side clearance
No. 1
Specification 0.04 - 0.08 mm (0.0015 - 0.0031 in.)
Limit 0.1 mm (0.004 in.)
No. 2 0.03 - 0.07 mm (0.0012 - 0.0027 in.)
End gap
No. 1
Specification 0.23 - 0.38 mm (0.0090 - 0.0149 in.)
Limit 1 mm (0.039 in.)
No. 2
Specification 0.33 - 0.48 mm (0.0130 - 0.0189 in.)
Limit 1 mm (0.039in.)
Oil ring side rail
Specification 0.20 - 0.60 mm (0.0078 - 0.0236 in.)
Limit 1 mm (0.039 in.)
Service oversize 0.25, 0.50 mm (0.010, 0.020 in.) oversize
Connecting rod bearing
Bend 0.05 mm (0.0020 in.) or less
Twist 0.1 mm (0.004 in.) or less
Connecting rod big end to crankshaft side clearance
Specification 0.100 - 0.250 mm (0.0039 - 0.0098 in.)
Limit 0.04 mm (0.0157 in.)
Oil clearance (To set limits to new parts) 0.024 - 0.044 mm (0.0009 - 0.0017 in.)
Undersize 0.25, 0.50, 0.75 mm (0.01, 0.20, 0.03 in.)
Crankshaft
Pin O.D. 45 mm (1.77 in.)
Journal O.D. 57 mm (2.244 in.)
Bend 0.03 mm (0.0012 in.) or less
Out-of-round, taper of journal and pin 0.01 mm (0.0004 in.) or less
End play
Specification 0.06 - 0.260 mm (0.0023 - 0.010 in.)
Limit 0.30 mm (0.0118 in.)
Undersize rework dimension of pin
0.25 mm (0.010 in.) 44.725 - 44.740 mm (1.7608 - 1.7614 in.)
0.50 mm (0.020 in.) 44.475 - 44.490 mm (1.7509 - 1.7516 in.)
0.75 mm (0.030 in.) 44.225 - 44.250 mm (1.7411 - 1.7517 in.)
Undersize rework dimension of journal
0.25 mm (0.010 in.) 56.727 - 56.742 mm (2.2333 - 2.2339 in.)
0.50 mm (0.020 in.) 56.477 - 56.492 mm (2.2235 - 2.2240 in.)
0.75 mm (0.030 in.) 56.227 - 56.242 mm (2.2136 - 2.2142 in.)

Tightening Torque

Cylinder Block
Front engine support bracket bolt and nut 35 - 50 Nm (25 - 37 ft. lbs.)
Front roll stopper bracket bolt 70 - 90 Nm (51 - 65 ft. lbs.)
Rear roll stopper bracket bolt 70 - 90 Nm (51 - 35 ft. lbs.)
Rear engine stopper bracket bolt 35 - 50 Nm (25 - 38 ft. lbs.)
Connecting rod cap nut 50 - 53 Nm (36 - 39 ft. lbs.)
Crankshaft bearing cap bolt 27 - 33 Nm (20 - 24 ft. lbs.) + (60 - 65°)
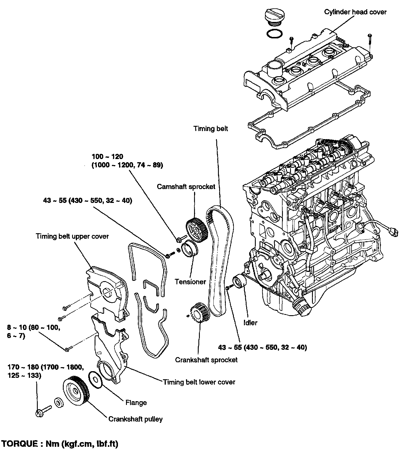
Crankshaft pulley bolt 170 - 180 Nm (125 - 133 ft. lbs.)





Connecting rod bearing cap





Main bearing cap





Crankshaft Sprocket

For bearing cap sequence, refer to Crankshaft, Engine; Service and Repair; Procedures.