lemon-mirror:
Home >> Hyundai >> 2004 >> Sonata V6-2.7L >> Repair and Diagnosis >> Diagrams >> Exploded Views >> Radiator

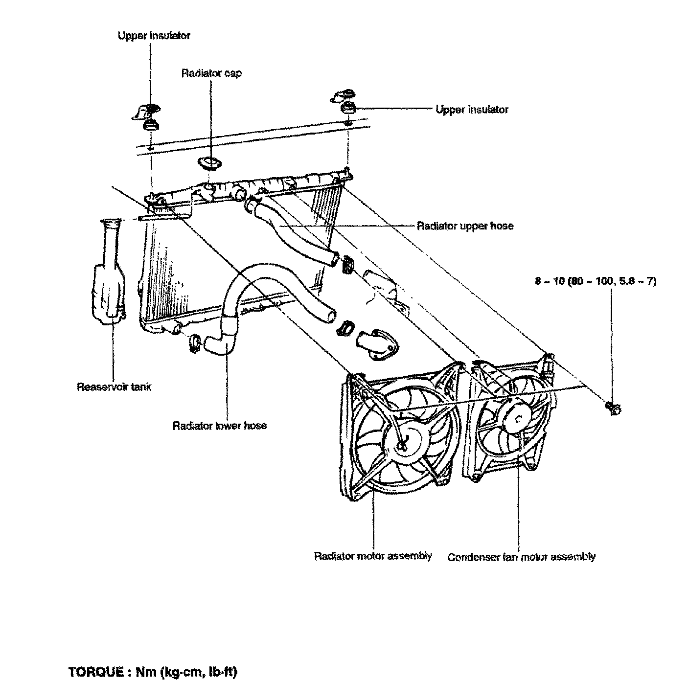
Radiator