lemon-mirror:
Home >> Hyundai >> 2004 >> Santa Fe V6-2.7L >> Repair and Diagnosis >> Diagrams >> Exploded Views >> Compressor HVAC

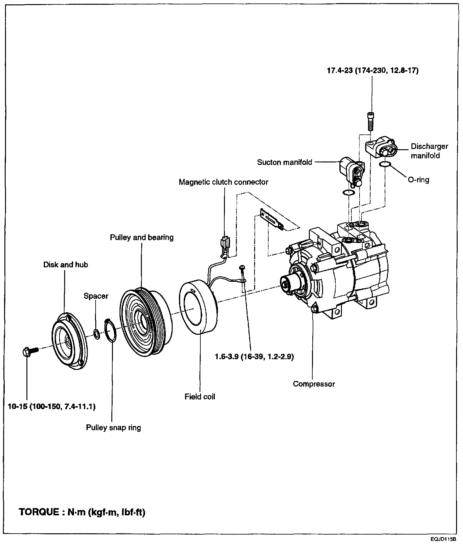
Compressor HVAC

Components: