lemon-mirror:
Home >> Hyundai >> 2004 >> Santa Fe L4-2.4L >> Repair and Diagnosis >> Diagrams >> Exploded Views >> Starting System

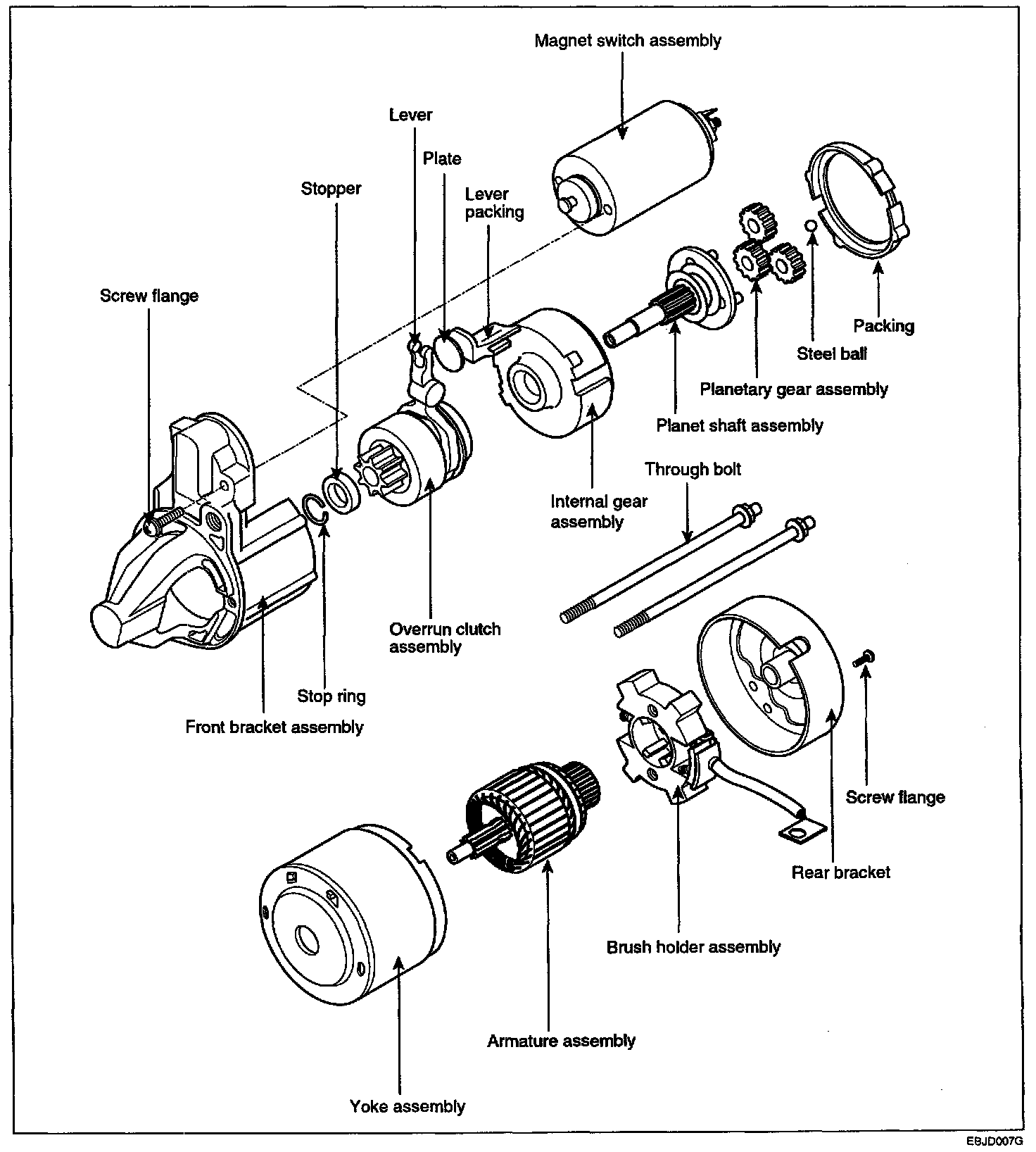
Starting System