lemon-mirror:
Home >> Hyundai >> 2004 >> Elantra L4-2.0L >> Repair and Diagnosis >> Diagrams >> Exploded Views >> Timing Belt

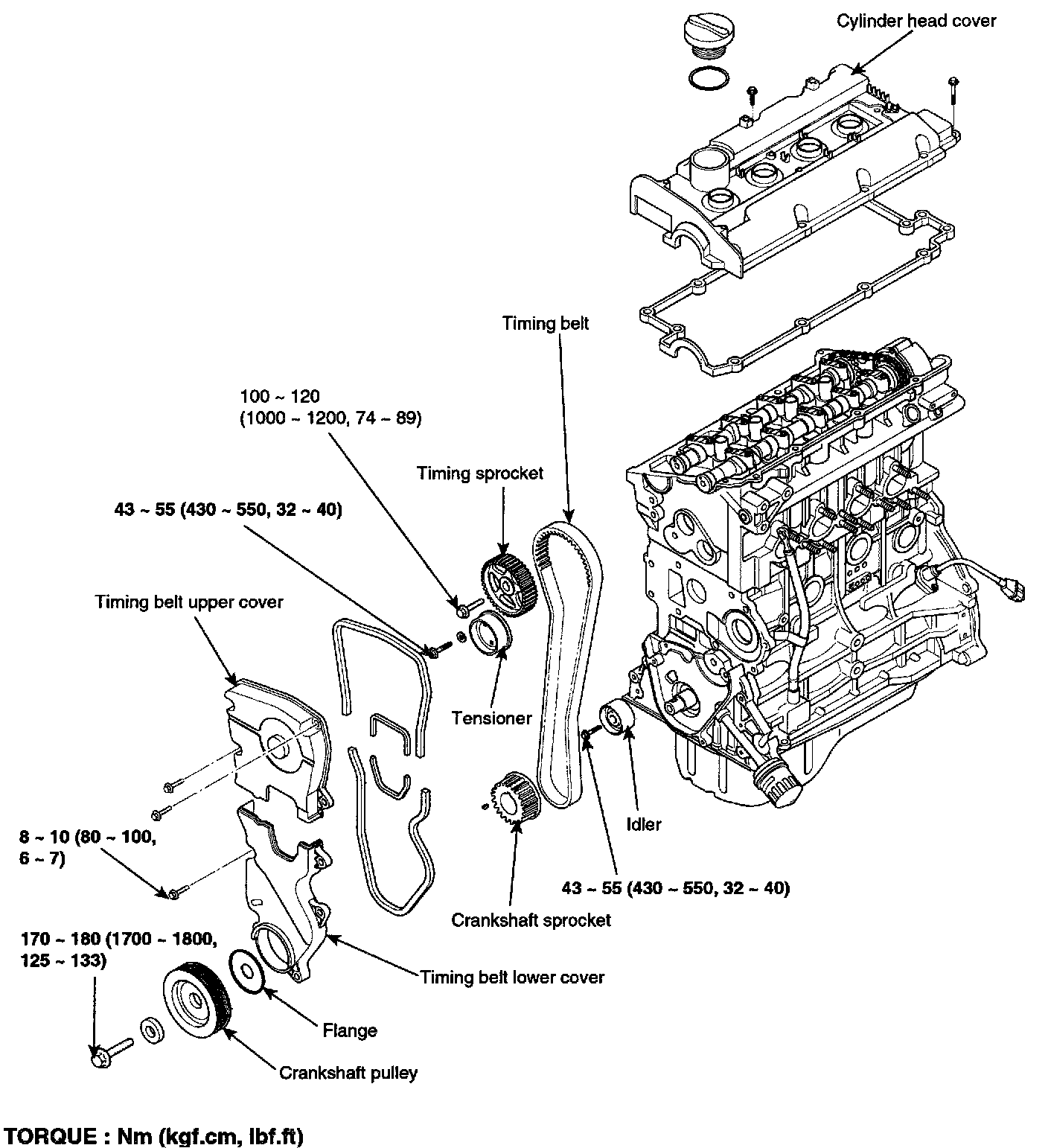
Timing Belt





TIMING BELT

Timing Belt replacement interval





Belt so as not give slack at each center of shaft. Do as following procedures when installing timing belt. Crankshaft sprocket (A) -> Idler pulley (B) -> Camshaft sprocket (C) -> timing belt tensioner (D).