lemon-mirror:
Home >> Hyundai >> 2004 >> Accent L4-1.6L >> Repair and Diagnosis >> Specifications >> Electrical Specifications >> Powertrain Management >> Body Control Module

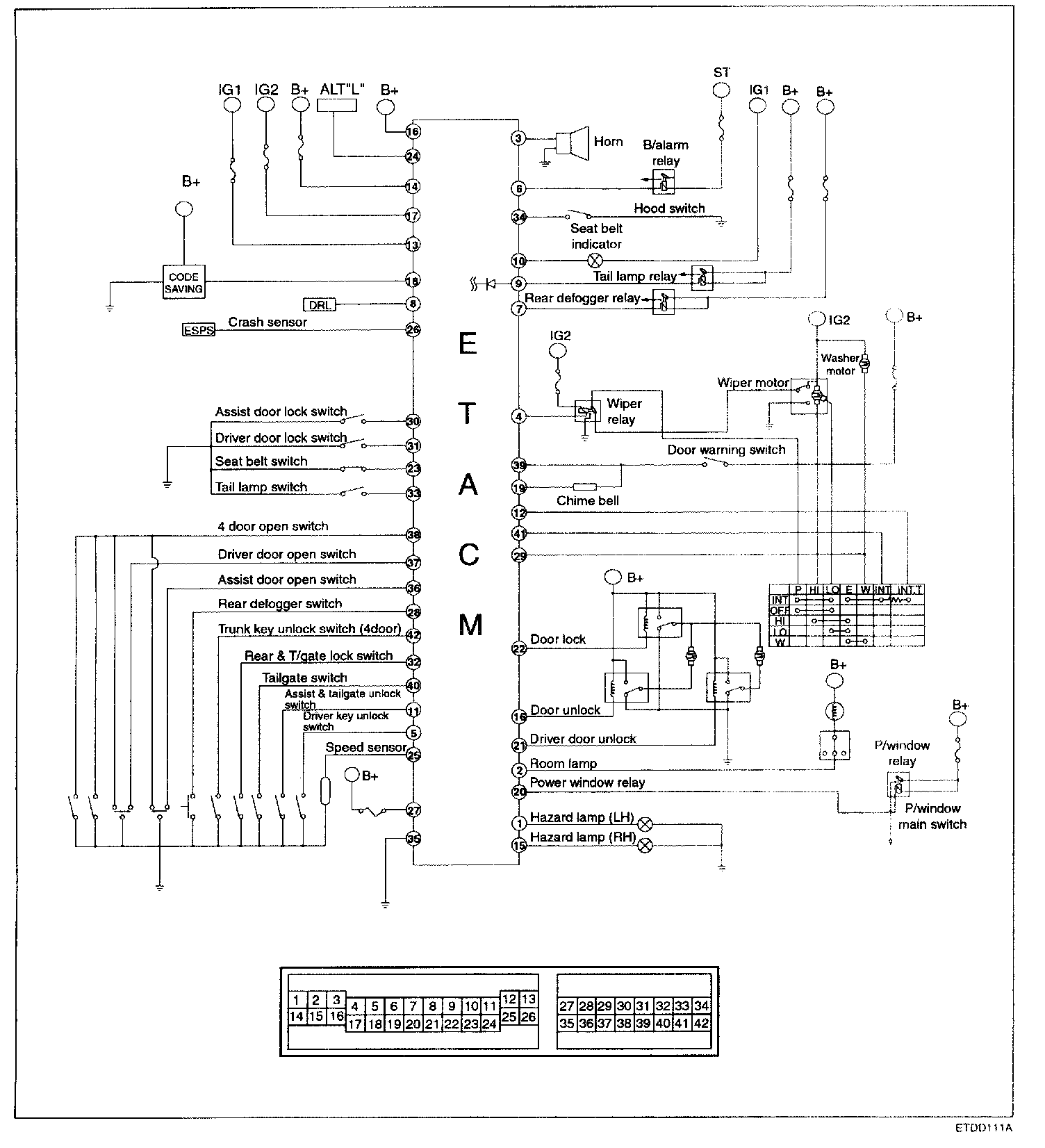
Body Control Module

Circuit Diagram: