lemon-mirror:
Home >> Hyundai >> 2004 >> Accent L4-1.6L >> Repair and Diagnosis >> Diagrams >> Exploded Views >> Heater Core Case

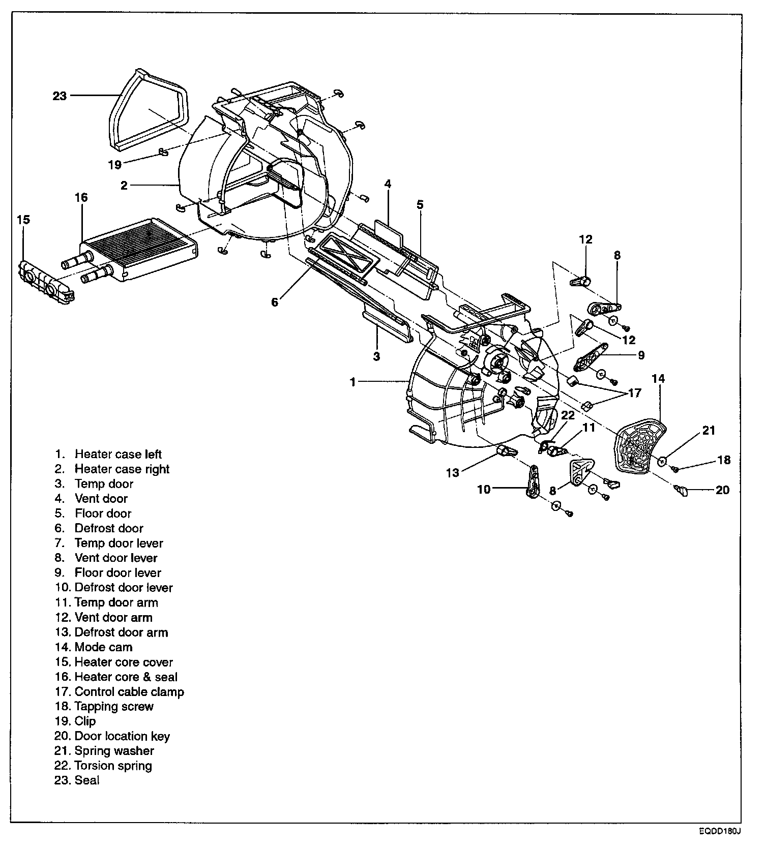
Heater Core Case

Heater Unit: