lemon-mirror:
Home >> Hyundai >> 2003 >> Tiburon L4-2.0L >> Repair and Diagnosis >> Diagrams >> Exploded Views >> Compressor HVAC >> System Diagram

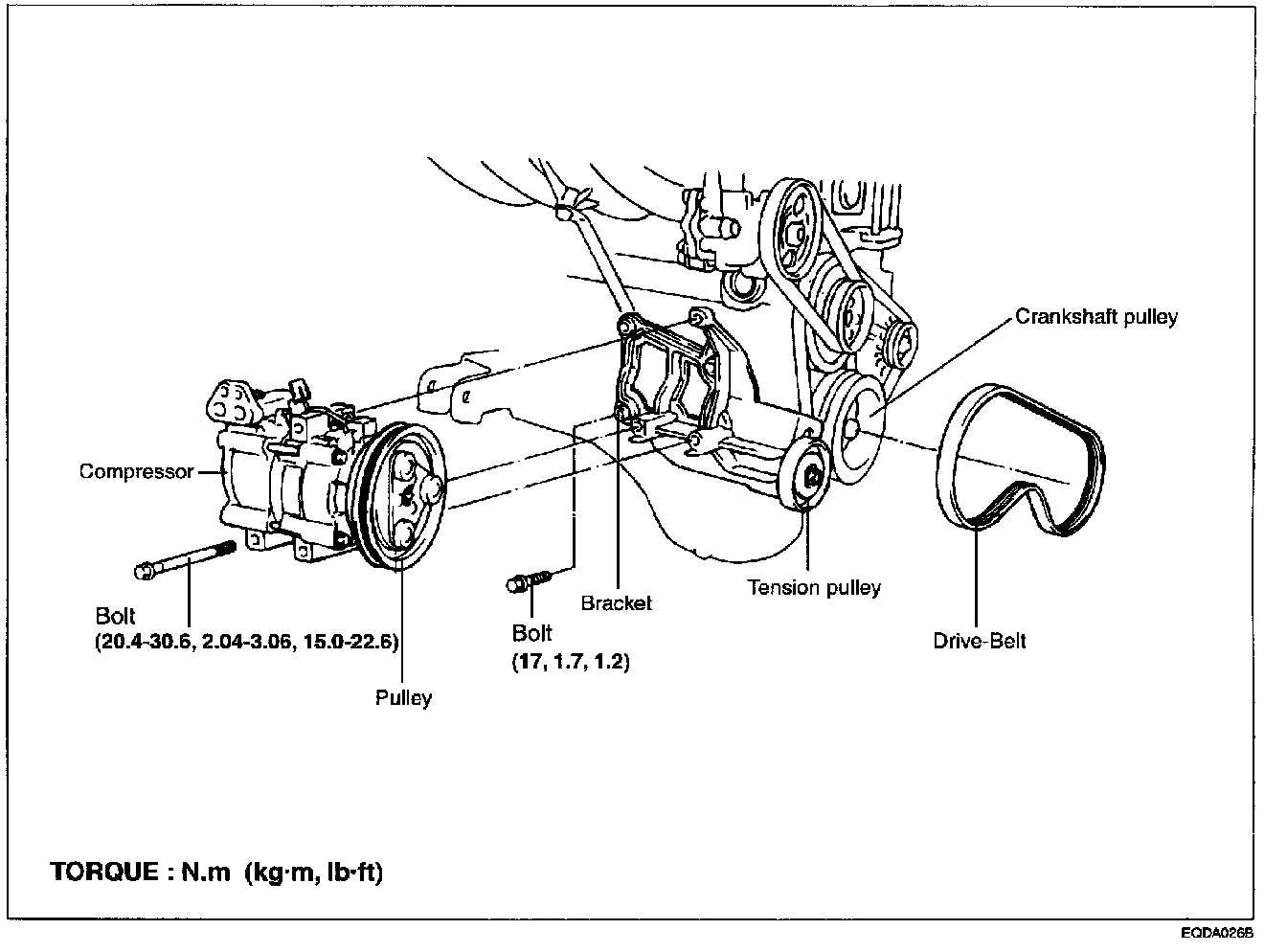
System Diagram