lemon-mirror:
Home >> Hyundai >> 2003 >> Santa Fe V6-3.5L >> Repair and Diagnosis >> Powertrain Management >> Computers and Control Systems >> Accelerator Pedal Position Sensor >> Testing and Inspection

Accelerator Pedal Position Sensor: Testing and Inspection

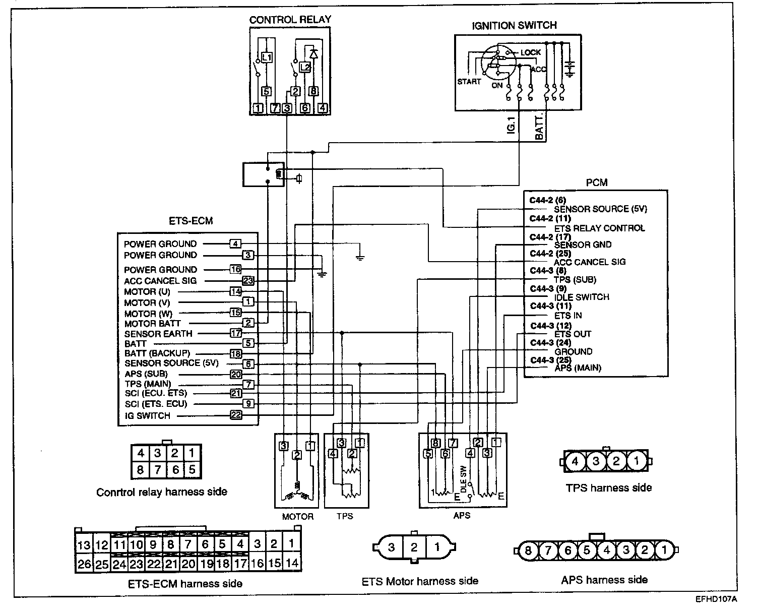
ELECTRIC THROTTLE SYSTEM







Circuit Diagram:






Harness Inspection Procedures (Part 1):






Harness Inspection Procedures (Part 2):






Using Hi-scan (PRO):






USING VOLTMETER




1. Disconnect the APS connector.
2. Check the continuity between terminal 4 and sensor ground.




3. If out of specification, replace the throttle position sensor.