lemon-mirror:
Home >> Hyundai >> 2003 >> Santa Fe V6-3.5L >> Repair and Diagnosis >> Diagrams >> Exploded Views >> Oil Pump, Engine

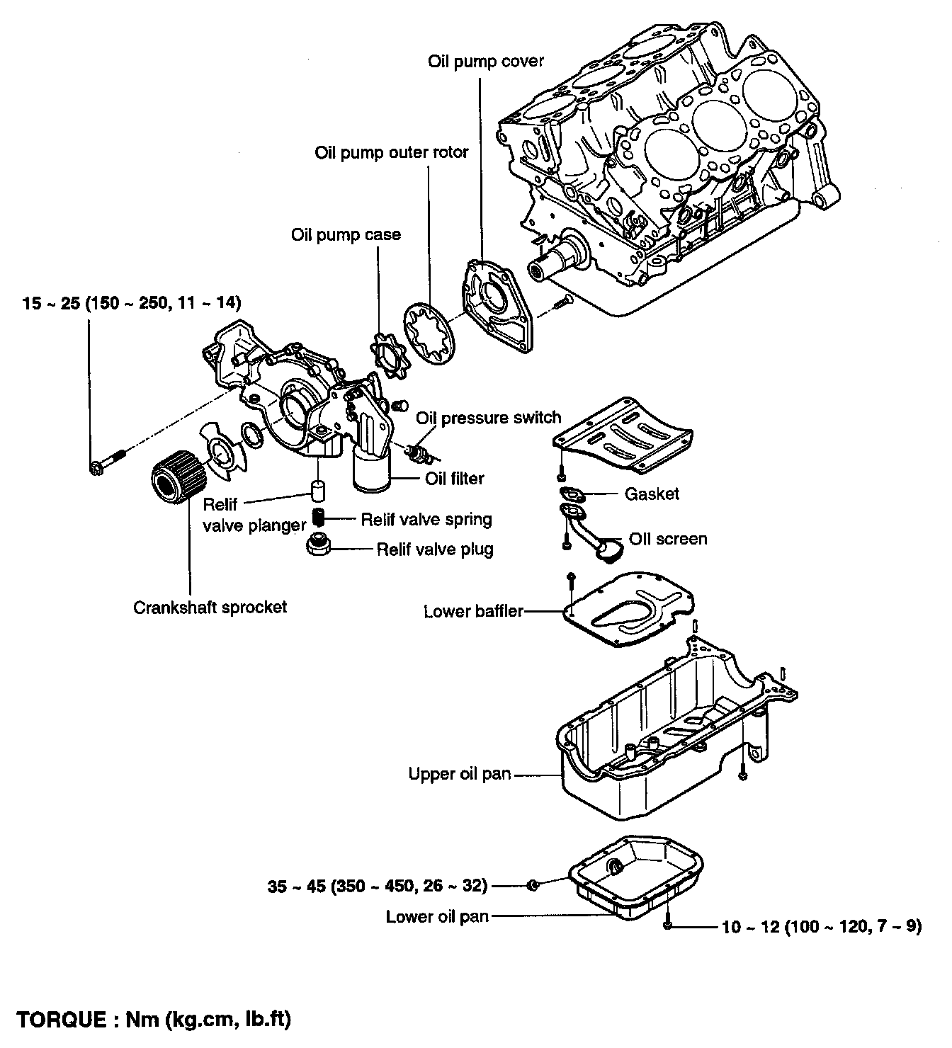
Oil Pump, Engine