lemon-mirror:
Home >> Hyundai >> 2003 >> Santa Fe L4-2.4L >> Repair and Diagnosis >> Diagrams >> Exploded Views >> Differential Assembly >> System Diagram

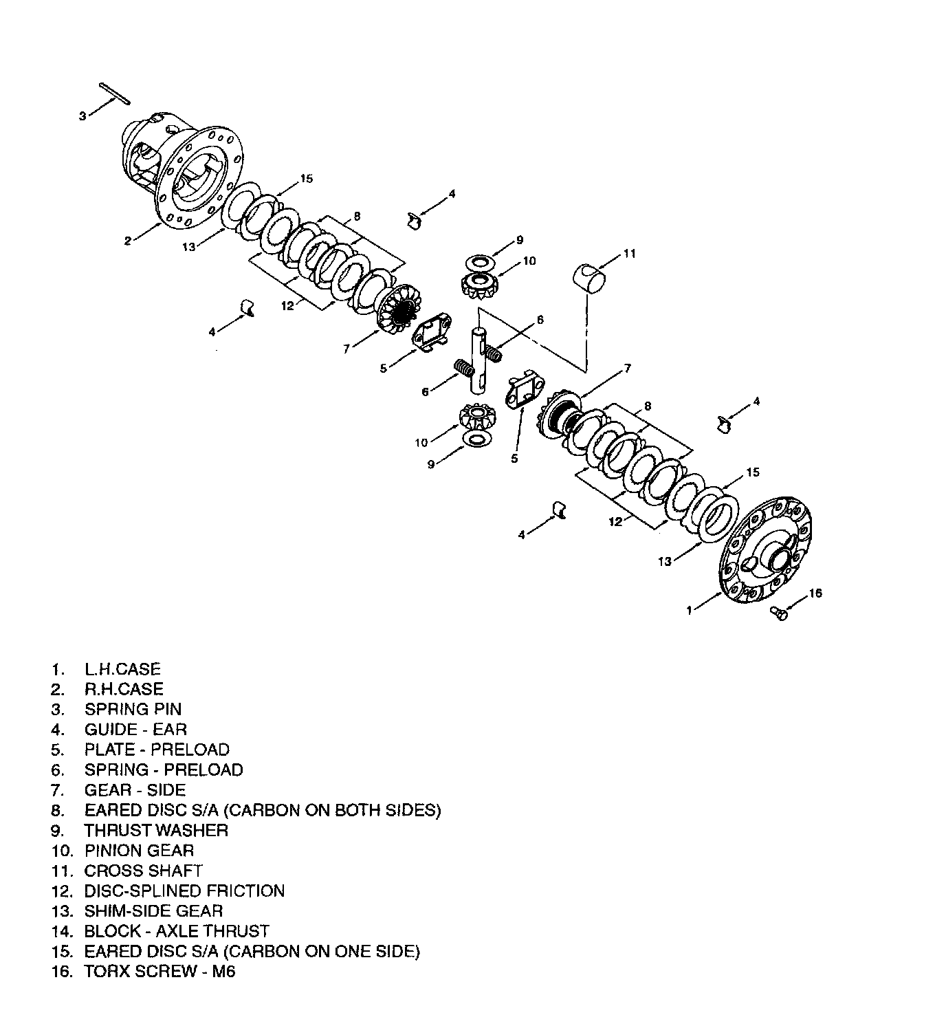
System Diagram

LIMITED SLIP DIFFERENTIAL (LSD)
COMPONENTS