lemon-mirror:
Home >> Hyundai >> 2003 >> Elantra L4-2.0L >> Repair and Diagnosis >> Power and Ground Distribution >> Timer/Control Unit >> Testing and Inspection

Timer/Control Unit: Testing and Inspection

INSPECTION
While operating the components, check whether the operations are normal with timing chart.

ETACS FUNCTION




1. Variable intermittent wiper

Time specification
T1 : Max. 0.3 sec.
T2 : 0.6 - 0.8 sec. (Time of wiper motor 1 rotation)
T3 : Intermittent time
Min. 2.2 ± 0.2 sec. (at VR = 0 kohm)
Max. 10 ± 1 sec. (at VR = 50 kohm)




2. Washer
a. Time specification
T1 : 0.6 sec.
T2 : 2.5 - 3.8 sec.

b. This function should be operated preferentially even though the variable intermittent wiper is operating.




3. Wiper mist

Time specification
T1 : 0.2 - 0.6 sec.
T2 : 0.7 ± 0.1 sec.




4. Rear window defogger

Time specification
T1 : 60 msec
T2 : 20 ± 1 min.




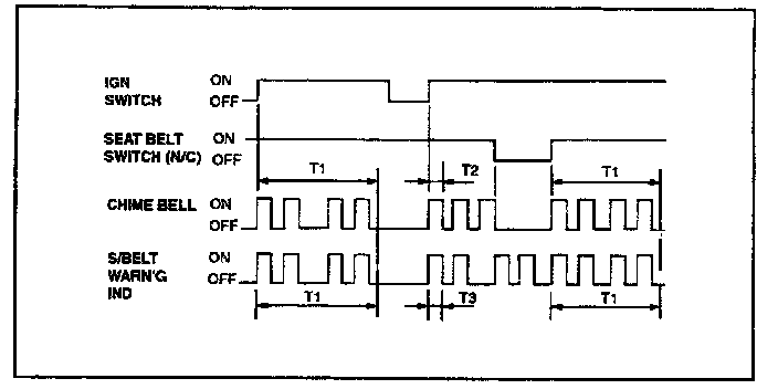
5. Seat belt warning

Time specification
T1 : 6 ± 1 sec.
T2 : 0.45 ± 0.1 sec.
T3 : 0.3 ± 0.1 sec.




6. Ignition key hole illumination

Time specification
T1 : 10 ± 1 sec.
T2 : 0 - 10 sec.




7. Delayed out room lamp

Time specification
T1 : 5.5 ± 0.5 sec.
T2 : 30 sec.




8. Door warning

Time specification
T1, T2 : 0.45 ± 0.1 sec.




9. Ignition key reminder

Time specification
T1 : 1 sec.
T2 : 0.5 sec.
T3 : Max. 0.5 sec.




10. Tail lamp auto cut




11. Power window timer

Time specification
T1 : 30 ± 3 sec.




12. Central door lock/unlock

Time specification
T1: 0.5 ± 0.1 sec.




13. Trunk room lamp

Time specification
T1 : 10 ± 1 min.

INSPECTION
While operating the components, check whether the operations are normal with timing chart.

TACS FUNCTION




1. Variable intermittent wiper

Time Specifications
T1 : Max. 0.3 sec.
T2 : 0.6 - 0.8 sec. (Time of wiper motor 1 rotation)
T3 : Intermittent time
Min. 2.2 ± 0.2 sec. (at VR = 0 kohm)
Max. 10 ± 1 sec. (at VR = 50 kohm)




2. Washer

a. Time specification
T1 : 0.6 sec.
T2 : 2.5 - 3.8 sec.

b. This function should be operated preferentially even though the variable intermittent wiper is operating.




3. Wiper mist

Time specification
T1 : 0.2 - 0.6 sec.
T2 : 0.7 ± 0.1 sec.




4. Rear window defogger

Time specification
T1 : 60 msec
T2 : 20 ± 1 min.




5. Seat belt warning

Time specification
T1 : 6 ± 1 sec.
T2 : 0.45 ± 0.1 sec.
T3 : 0.3 ± 0.1 sec.




6. Door warning
Time specification
T1, T2 : 0.45 ± 0.1 sec.




7. Tail lamp auto cut




8. Trunk room lamp

Time specification
T1 :10 ± 1 min.