lemon-mirror:
Home >> Hyundai >> 2003 >> Accent L4-1.6L >> Repair and Diagnosis >> Specifications >> Mechanical Specifications >> Engine >> System Specifications >> Intake Manifold

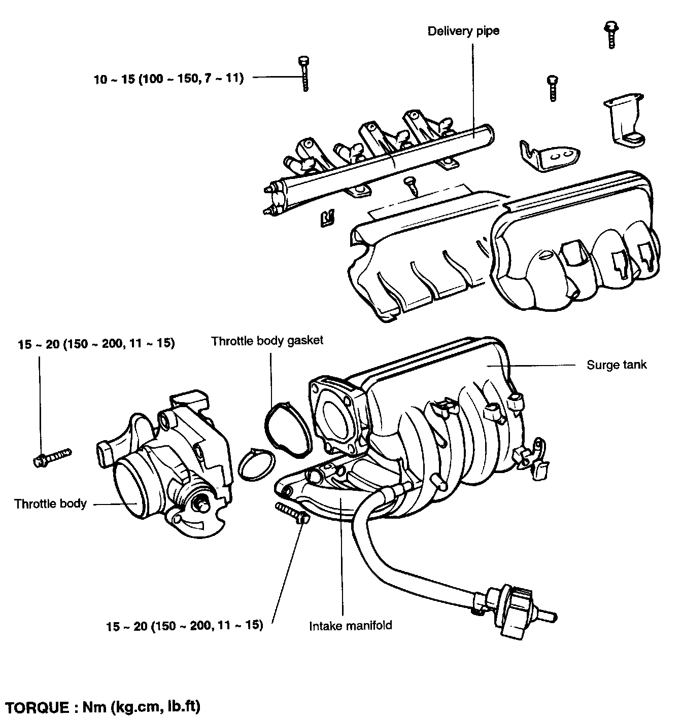
Intake Manifold



INTAKE MANIFOLD:







Intake manifold to cylinder head nuts and bolts.....15-20 Nm (150-200 kg-cm, 11-15 ft. lbs.)
Intake manifold stay to cylinder block bolts.......15-20 Nm (150-200 kg-cm, 11-14 ft. lbs.)
Throttle body to surge tank nuts......15-20 Nm (150-200 kg-cm, 11-14 ft. lbs.)



* Intake Manifold & Throttle Body bolt tightening sequence not supplied by manufacturer.