lemon-mirror:
Home >> Hyundai >> 2003 >> Accent L4-1.6L >> Repair and Diagnosis >> Powertrain Management >> Computers and Control Systems >> Engine Control Module >> Locations >> Component Locations

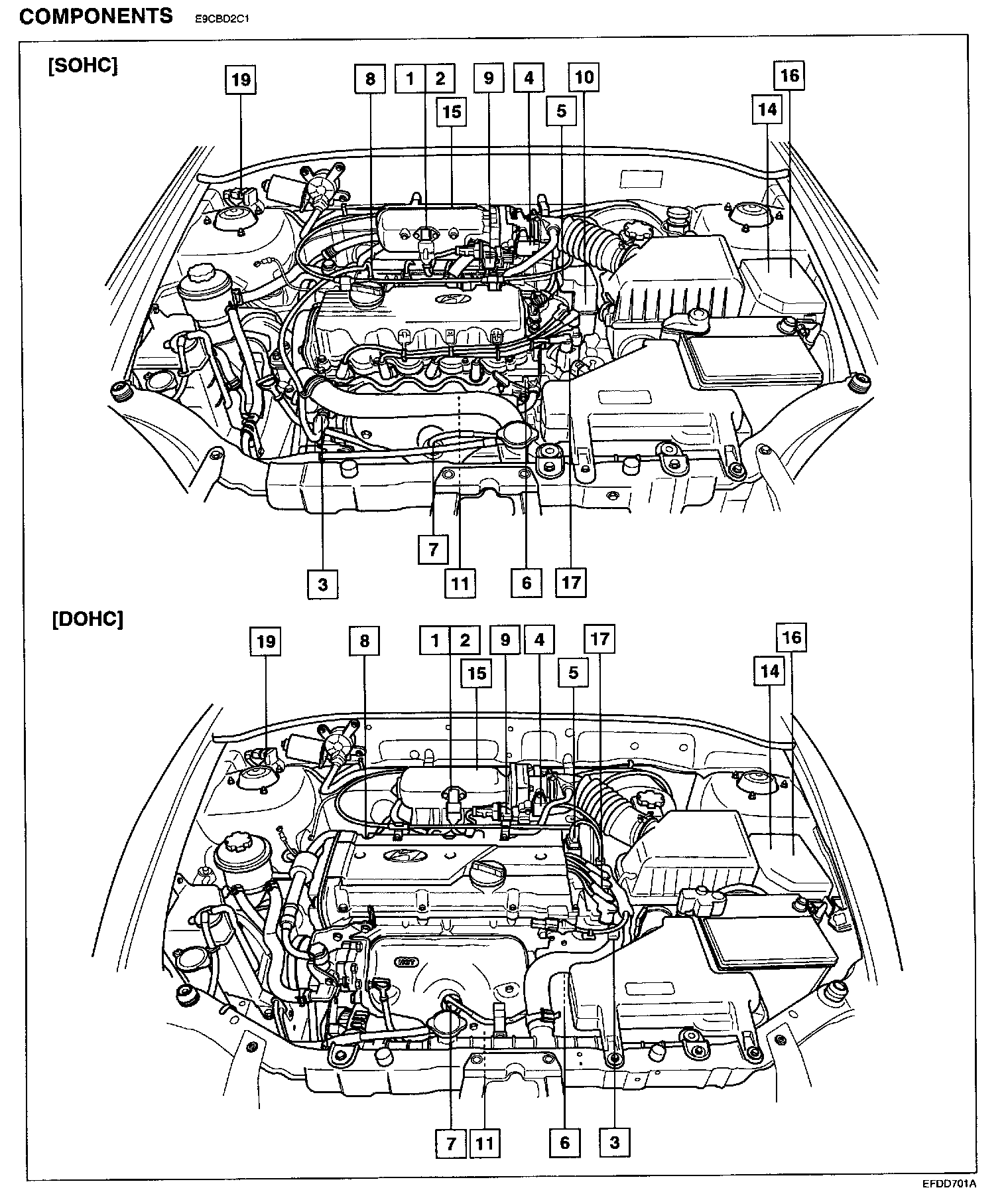
Component Locations



Components Part 1:



Components Part 2: