lemon-mirror:
Home >> Hyundai >> 2002 >> XG 350 V6-3.5L >> Repair and Diagnosis >> Powertrain Management >> Computers and Control Systems >> Electronic Throttle Control Module >> Testing and Inspection >> Harness Inspection

Harness Inspection




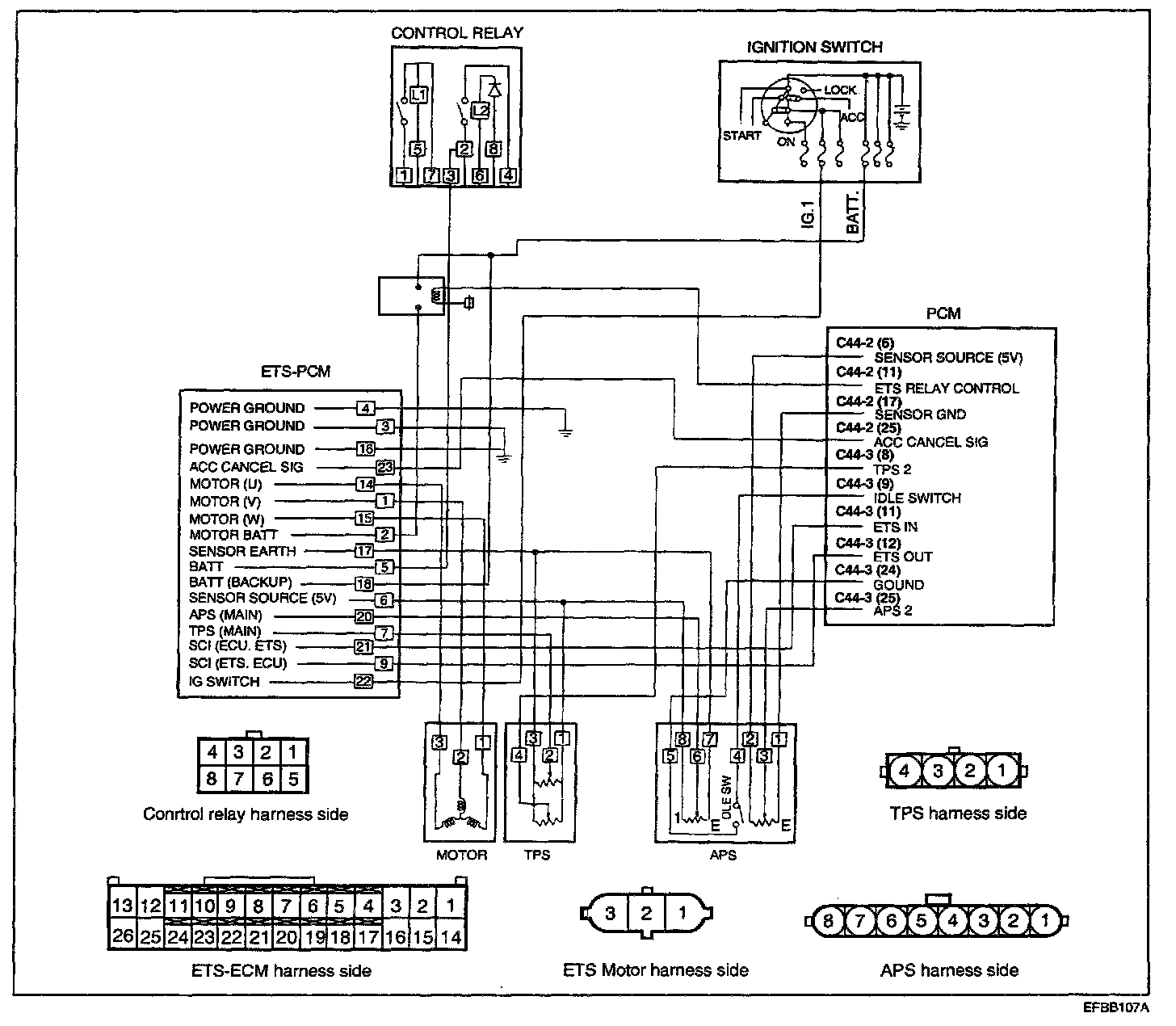
ELECTRONIC THROTTLE SYSTEM (ETS) & ACCEL. POSITION SENSOR (APS)

Circuit Diagram:






Harness Inspection Procedures 1 - 4:




Harness Inspection Procedure 5: