lemon-mirror:
Home >> Hyundai >> 2002 >> Santa Fe L4-2.4L >> Repair and Diagnosis >> Diagrams >> Exploded Views >> Blower Motor

Blower Motor

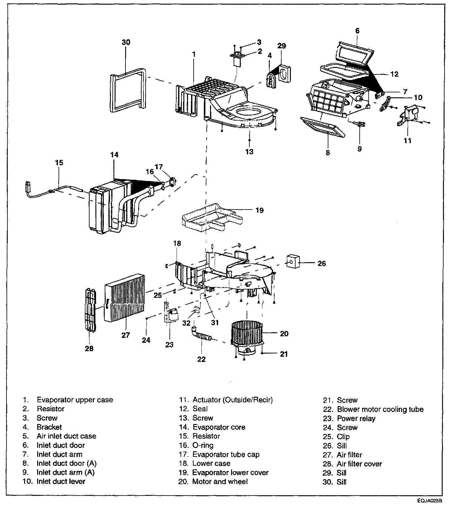
Blower Unit And Evaporator: