lemon-mirror:
Home >> Hyundai >> 2001 >> XG 300 V6-3.0L >> Repair and Diagnosis >> Diagrams >> Exploded Views >> Control Arm >> Front >> Upper

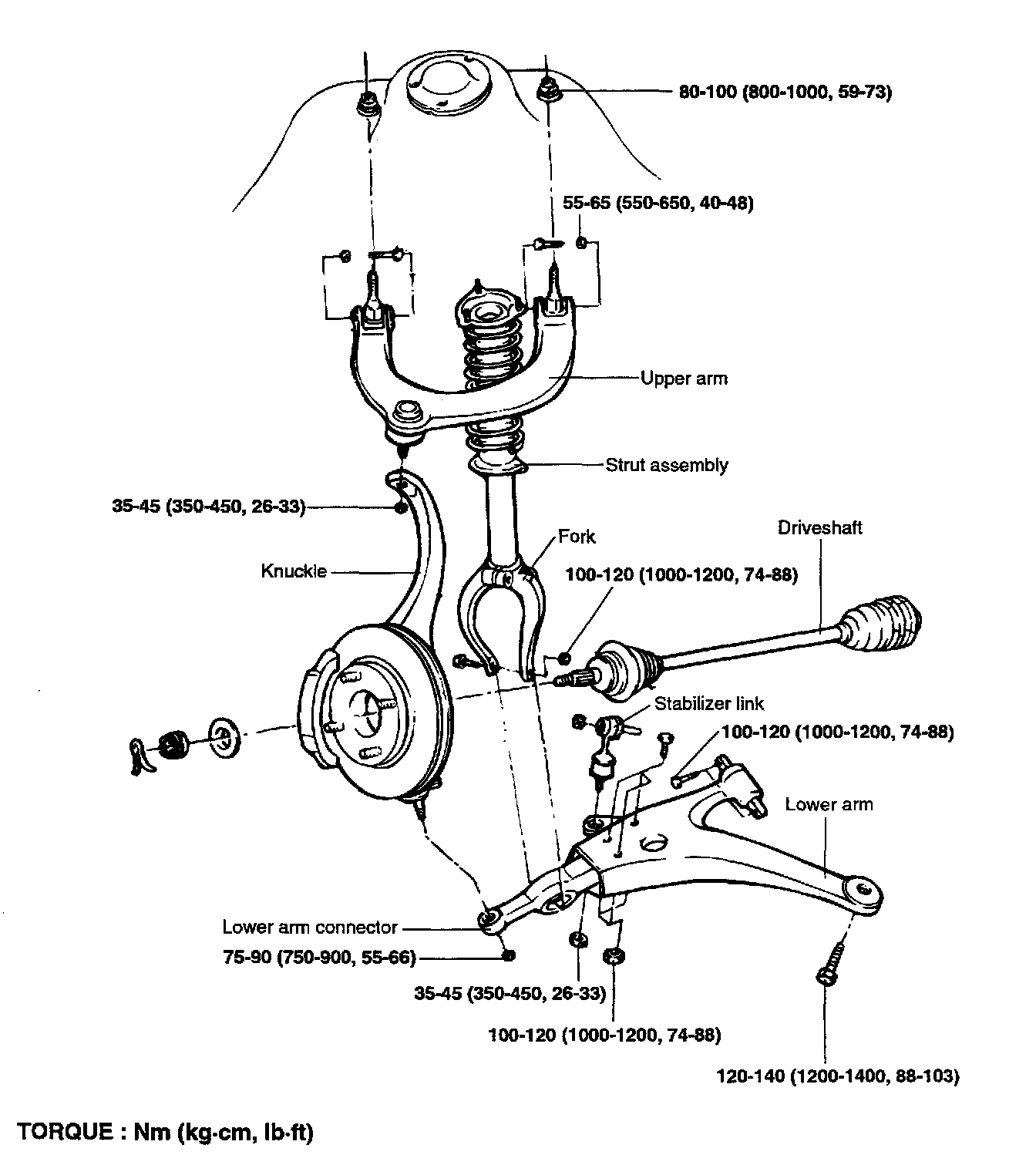
Upper