lemon-mirror:
Home >> Hyundai >> 2001 >> Tiburon L4-2.0L >> Repair and Diagnosis >> Powertrain Management >> Computers and Control Systems >> Main Relay (Computer/Fuel System) >> Testing and Inspection

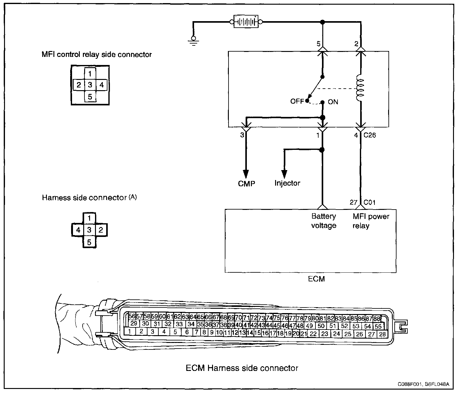
Main Relay (Computer/Fuel System): Testing and Inspection




MFI CONTROL RELAY
When the ignition switch is on, battery power is supplied to the ECM, the injector, the mass airflow sensor, etc. When the ignition switch is turned on, current flows from the ignition switch through the current relay coil to ground.

Circuit Diagram:






Harness Inspection Procedures:









MFI CONTROL RELAY INSPECTION
1. Check continuity of relay contacts between terminal 4 (-) and 2 (+).
2. If fault, replace the MFI control relay

Tightening torque
MFI control relay : 7 - 11 Nm (70 - 110 kg.cm, 5.2 - 8.1 lb.ft)