lemon-mirror:
Home >> Hyundai >> 2001 >> Tiburon L4-2.0L >> Repair and Diagnosis >> Diagrams >> Exploded Views >> Ignition Switch

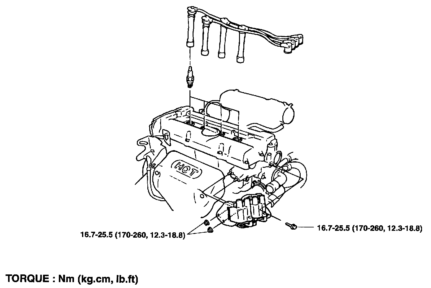
Ignition Switch