lemon-mirror:
Home >> Hyundai >> 2001 >> Santa Fe V6-2.7L >> Repair and Diagnosis >> Diagrams >> Exploded Views >> Intake Manifold

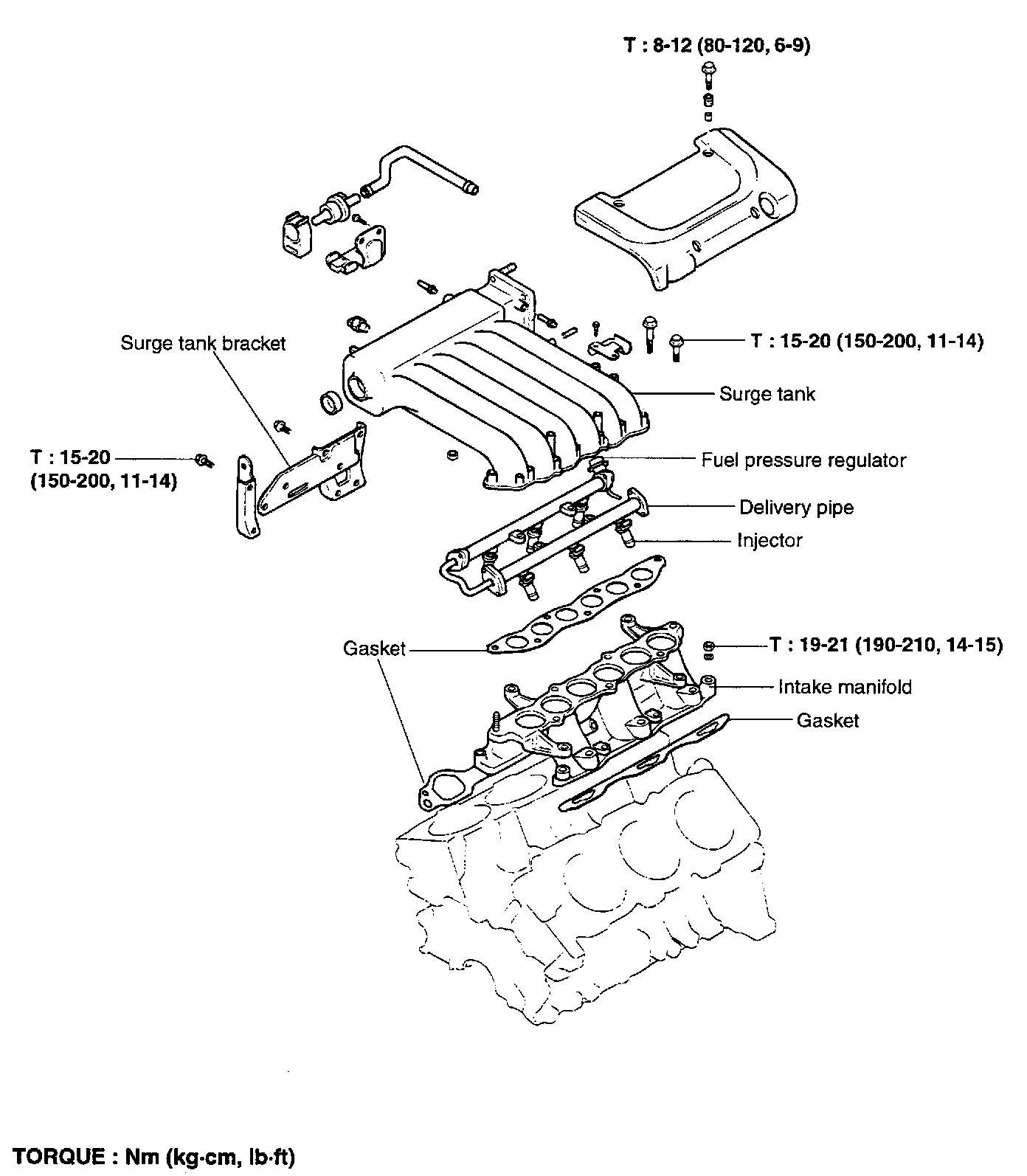
Intake Manifold