lemon-mirror:
Home >> Hyundai >> 2001 >> Santa Fe L4-2.4L >> Repair and Diagnosis >> Diagrams >> Electrical Diagrams >> Powertrain Management >> Body Control Module

Body Control Module

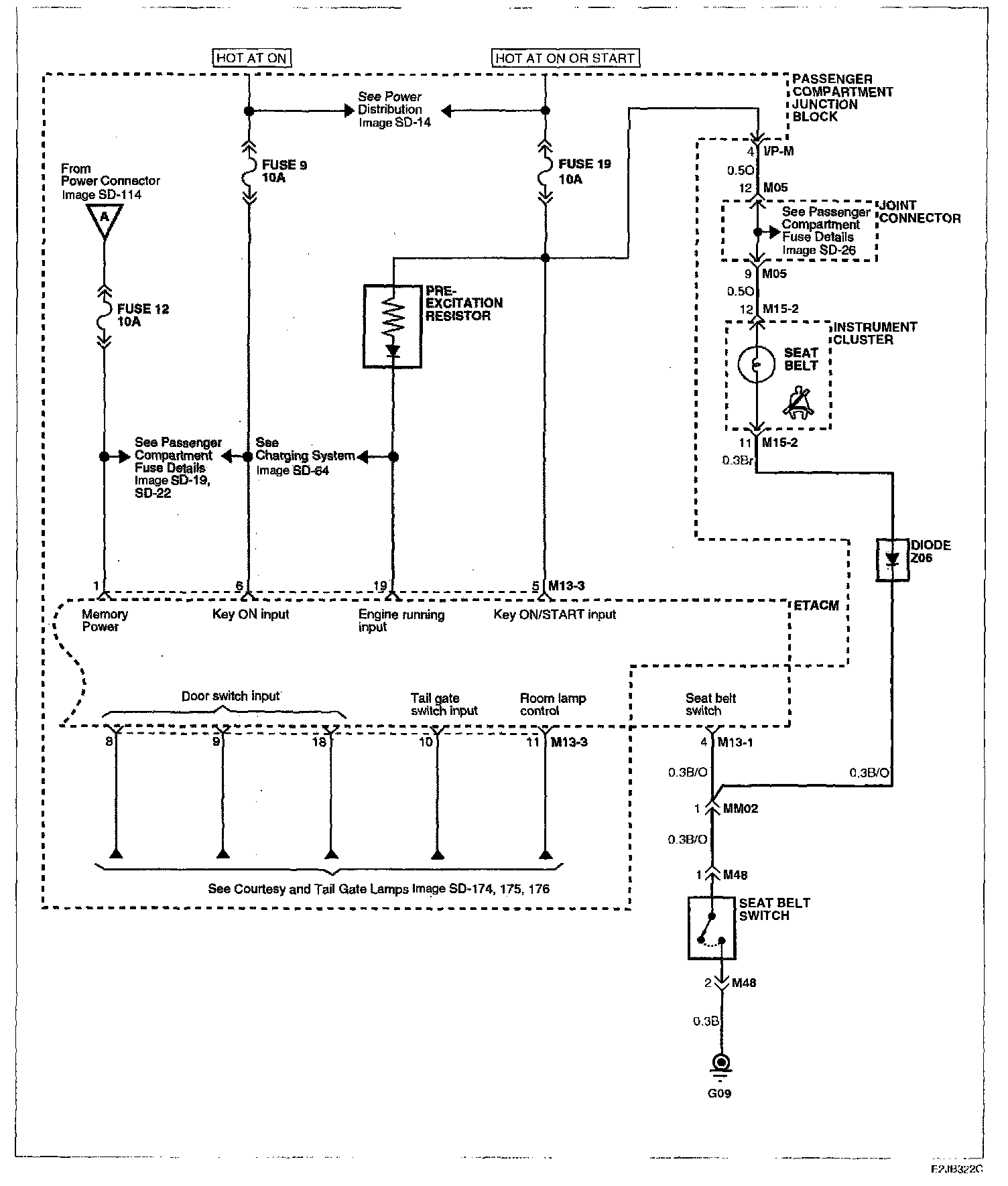
Image SD-114 - ETACS (Electronic Time & Alarm Control System) (1):



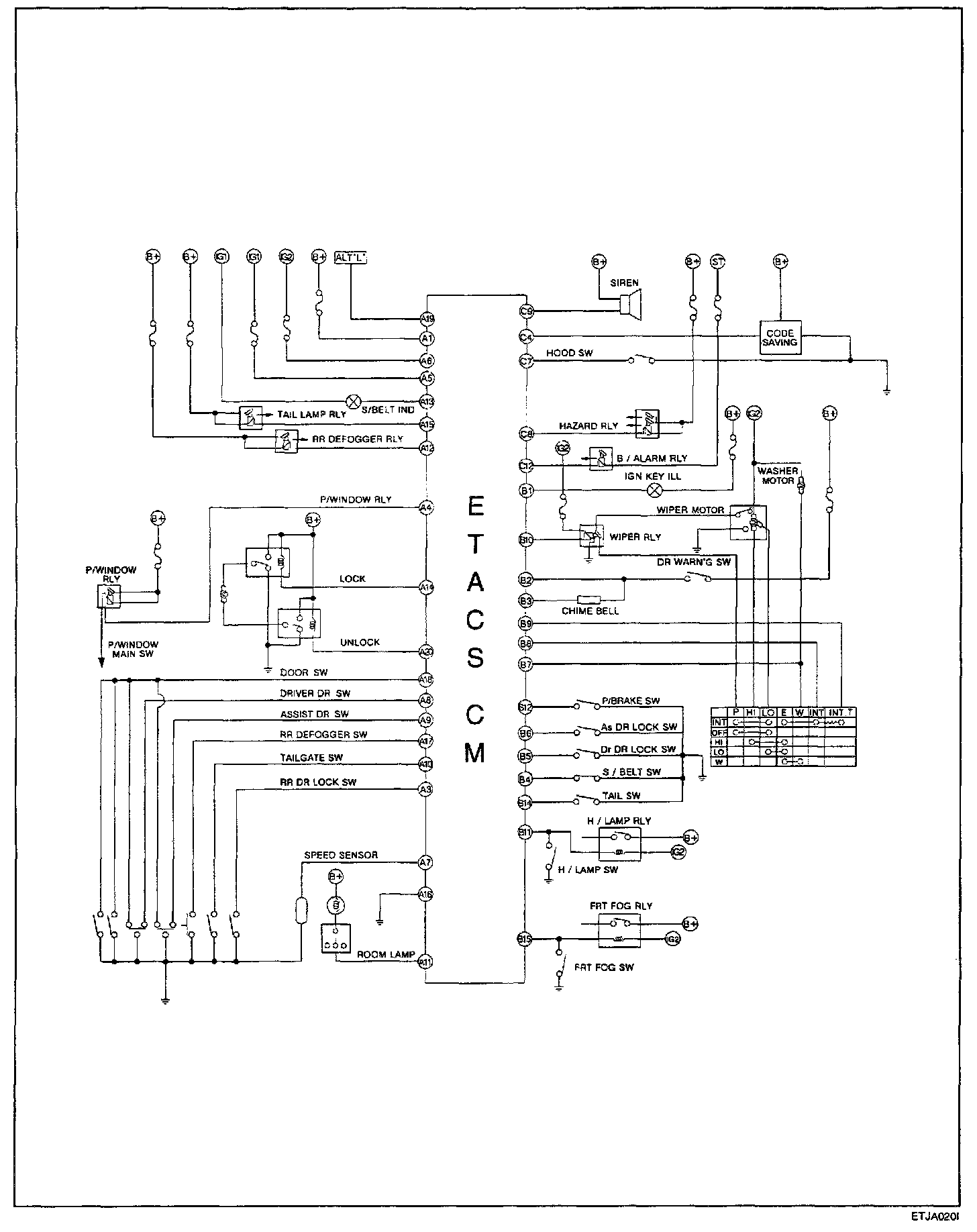
Image SD-115 - ETACS (Electronic Time & Alarm Control System) (2):



Image SD-116 - ETACS (Electronic Time & Alarm Control System) (3):



Circuit Diagram: