lemon-mirror:
Home >> Hyundai >> 2000 >> Tiburon L4-2.0L >> Repair and Diagnosis >> Diagrams >> Electrical Diagrams >> Steering Control Module

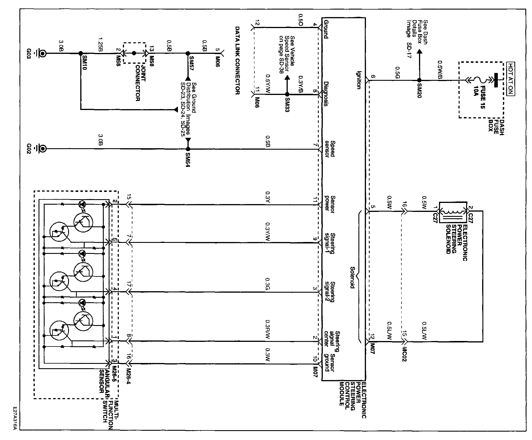
Steering Control Module

Image SD - 70:




Schematic Diagrams