lemon-mirror:
Home >> Hyundai >> 2000 >> Sonata L4-2.4L >> Repair and Diagnosis >> Diagrams >> Exploded Views >> Fuel Return Line >> Fuel Line

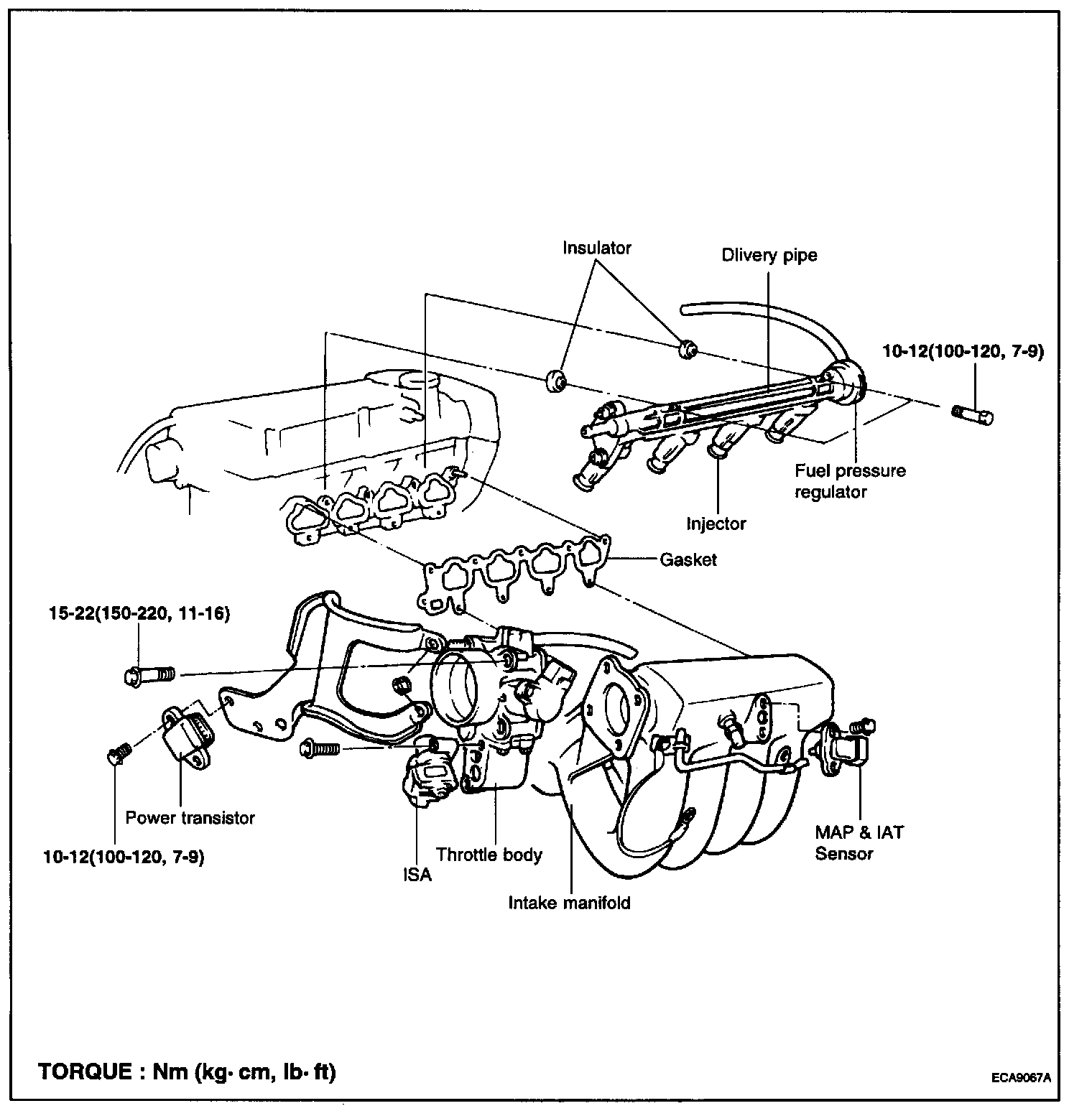
Fuel Line

Fuel Line Components 4-Cyl.: