lemon-mirror:
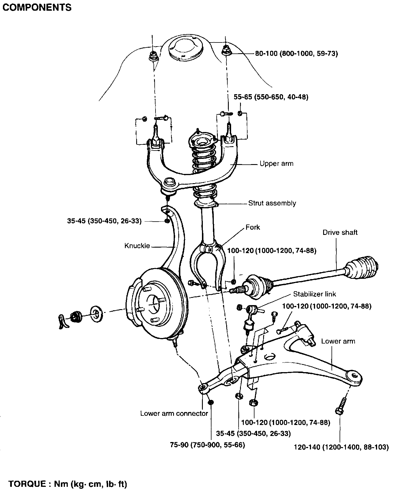
Home >> Hyundai >> 2000 >> Sonata L4-2.4L >> Repair and Diagnosis >> Diagrams >> Exploded Views >> Control Arm >> Front >> Upper

Upper