lemon-mirror:
Home >> Hyundai >> 2000 >> Sonata GLS V6-2.5L >> Repair and Diagnosis >> Diagrams >> Exploded Views >> Radiator

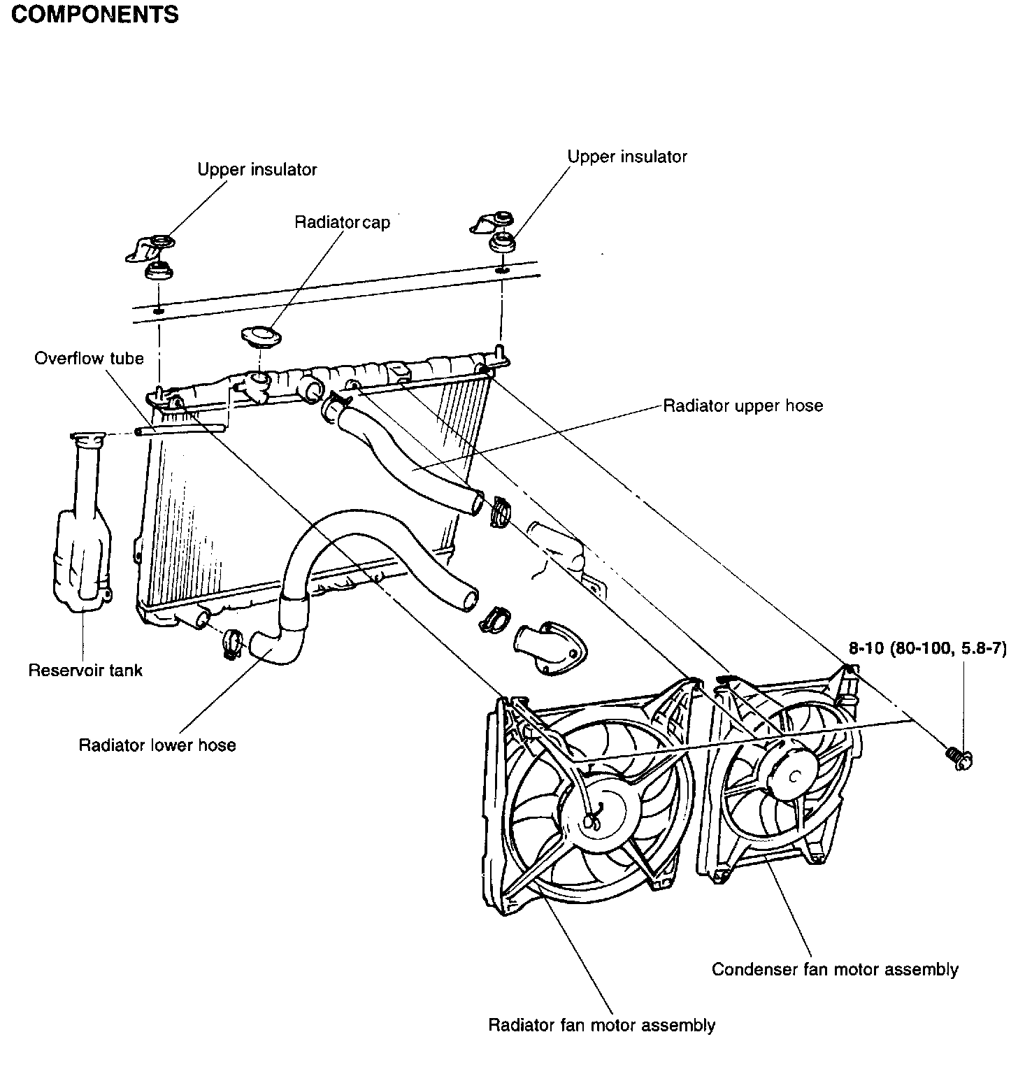
Radiator