lemon-mirror:
Home >> Hyundai >> 1998 >> Tiburon L4-1.8L >> Repair and Diagnosis >> Diagrams >> Exploded Views >> Radiator

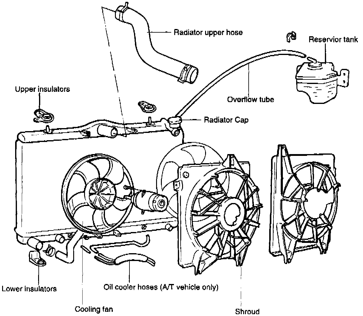
Radiator