lemon-mirror:
Home >> Hyundai >> 1998 >> Sonata L4-2.0L >> Repair and Diagnosis >> Specifications >> Mechanical Specifications >> Engine >> System Specifications

System Specifications

Tightening Specifications (Part 1 Of 3):






Tightening Specifications (Part 2 Of 3):






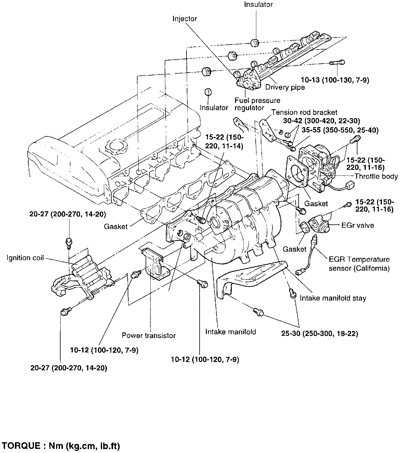
Tightening Specifications (Part 3 Of 3):











Tightening Sequence:


























Drive Plate-To-Converter (Flex Plate) Tightening Bolt 46 - 53 Nm (34 - 38 ft. lbs.)


Flywheel 130 - 140 Nm (94 - 101 ft. lbs.)

Fig. 8 Camshaft Bearing Cap Tightening Sequence:





Camshaft Bearing Cap Bolt Tightening Sequence
Torque 19-21 Nm (190 - 210 kg.cm., 14 - 15 lb.ft.)