lemon-mirror:
Home >> Hyundai >> 1998 >> Sonata L4-2.0L >> Repair and Diagnosis >> Diagrams >> Exploded Views >> Radiator

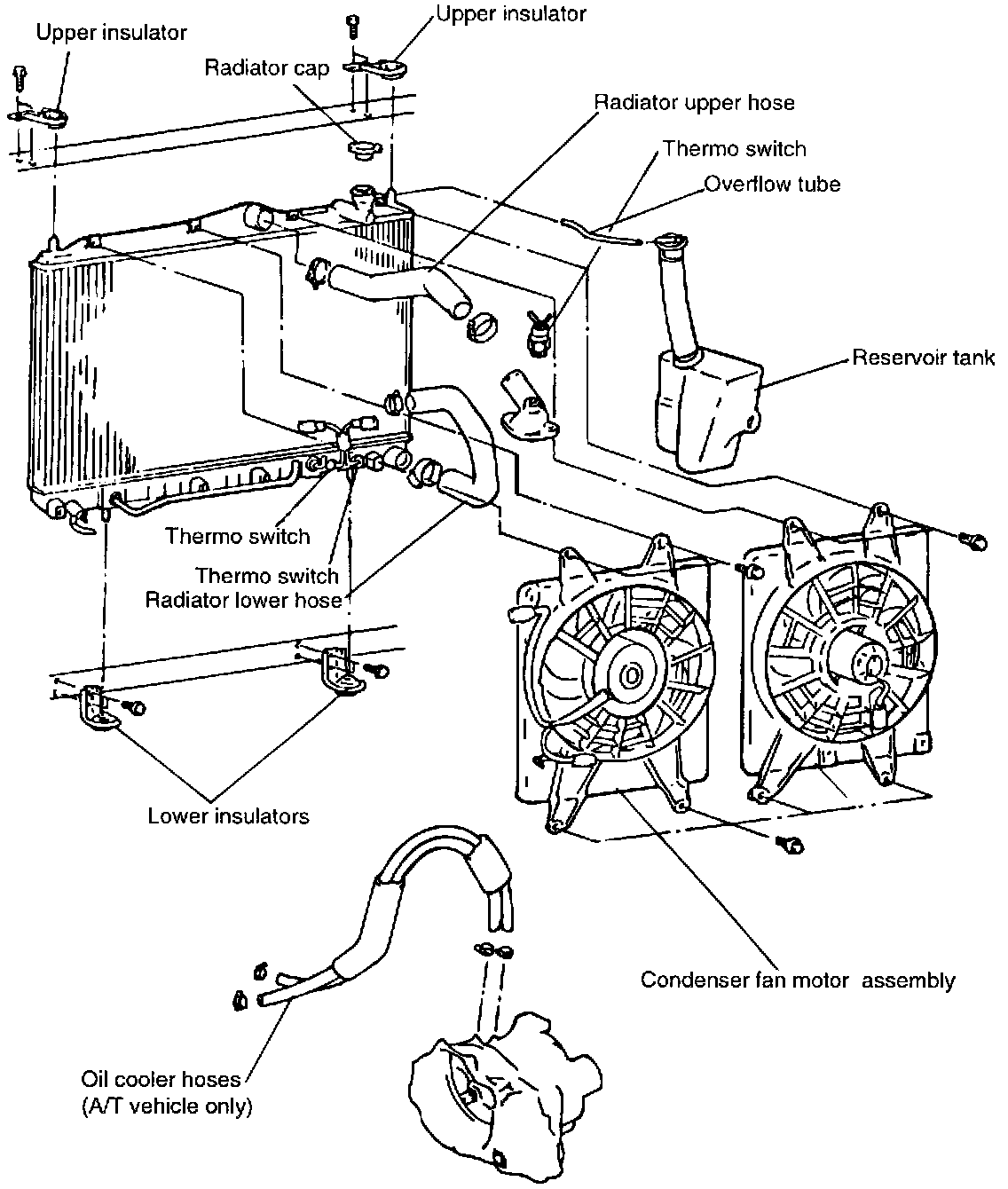
Radiator