lemon-mirror:
Home >> Hyundai >> 1997 >> Tiburon L4-1.8L >> Repair and Diagnosis >> Diagrams >> Exploded Views >> Alternator

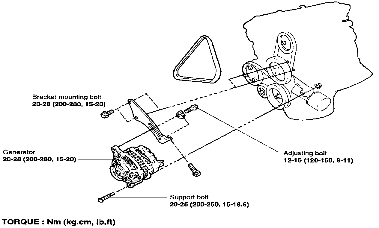
Alternator




REMOVAL AND INSTALLATION