lemon-mirror:
Home >> Hyundai >> 1997 >> Sonata L4-2.0L >> Repair and Diagnosis >> Powertrain Management >> Computers and Control Systems >> Transmission Position Sensor/Switch >> Testing and Inspection

Transmission Position Sensor/Switch: Testing and Inspection





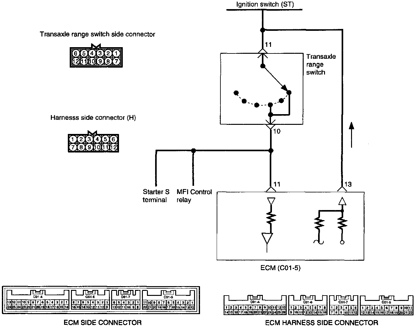
CIRCUIT DIAGRAM

TROUBLESHOOTING HINTS
If the TR switch harness check is normal but the TR switch output is abnormal, check for the control cable adjustment





Using GST











HARNESS INSPECTION PROCEDURES