lemon-mirror:
Home >> Hyundai >> 1995 >> Sonata L4-2.0L >> Repair and Diagnosis >> Powertrain Management >> Computers and Control Systems >> Throttle Position Sensor >> Testing and Inspection

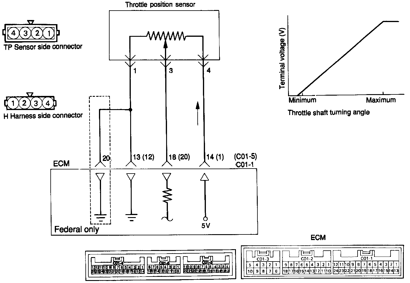
Throttle Position Sensor: Testing and Inspection





CIRCUIT DIAGRAM





USING SCAN TOOL





HARNESS INSPECTION PROCEDURE

TROUBLESHOOTING HINTS
The Throttle Position Sensor signal is important in the control of automatic transaxle. Shift shock and other troubles will occur if the sensor is faulty.

COMPONENT TESTING PROCEDURE
1. Disconnect the throttle position sensor connector.





2. Measure resistance between terminal 1 (sensor ground) and terminal 4 (sensor power).

Standard value: 3.5 - 6.5 K Ohms

3. Connect a pointer type ohmmeter between terminal 1 (sensor ground) and terminal 3 (sensor output).
4. Operate the throttle valve slowly from the idle position to the full open position and check that the resistance changes smoothly in proportion with the throttle valve opening angle.
5. If the resistance is out of specification. or fails to change smoothly, replace the throttle position sensor.

Torque: 1.5 - 2.5 Nm (1.1 - 1.8 ft lb)