lemon-mirror:
Home >> Hyundai >> 1990 >> Sonata L4-2.4L >> Repair and Diagnosis >> Powertrain Management >> Ignition System >> Distributor >> Service and Repair

Distributor: Service and Repair

Ignition System Components Exploded View:





REMOVAL:
1. Disconnect the battery ground cable.
2. Remove the two distributor cap retaining clips and move the cap to the one side.
3. Disconnect the lead wire connector.
4. Remove the distributor mounting nut and remove the distributor assembly.

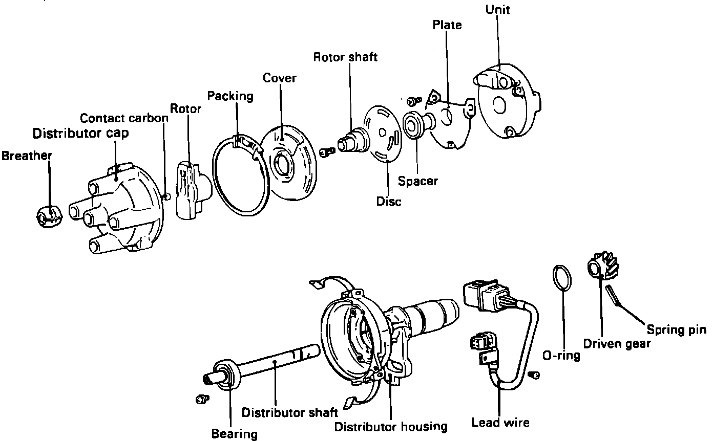
Distributor Components Exploded View:





DISASSEMBLY:
1. Lightly clamp the distributor in a vise equipped with soft jaws.
2. Pull off the rotor from the rotor shaft.
3. Remove the packing rubber.
4. Lift off the cover.

Rotor Shaft Retaining Screw Location Add:





5. Remove the rotor shaft by using a screw driver.
6. Remove the disc and spacer. Observe which side of the disc is the top, for future reassembly.
7. Disconnect the lead wire connector.




8. Lift off the plate and unit by removing the three mounting screws.
9. Remove the shaft bearing tightening screws.
10. Make a position identification mark on the distributor shaft (for the drive gear, to prevent 180° out of alignment, reassembly).
11. Place the drive gear on a soft base (wooden block) so that it will not be damaged.

Distributor Drive Gear Removal:





12. Drive out the roll pin by using a pin punch.

REASSEMBLY:

DISTRIBUTOR SHAFT:
After coating the shaft with a small amount of engine oil, insert the shaft into the distributor housing.
CAUTION: Do not use solvent or similar products.




DRIVE GEAR:
1. Align the drive gear with the mark made at the time of disassembly, and install the gear to the distributor shaft.
2. When aligning the drive gear's mating mark to the housing's mark, be sure that the notch "A" at the rotor end of the shaft is in the position shown in the (Distributor assembly Marks) image. If no errors where made in either the marking or alignment procedures the pin holes should align properly. Drive in a new roll pin, insuring that the slit

Disc Installation Procedure:





DISC:
1. Install the spacer on the distributor shaft.
2. Insert the disc into the sensor part of the pick up unit assembly insuring the proper alignment with the notch on the spacer.
NOTE: Take care to install the disc with the correct side to the top as was observed during disassembly. Insure that the disc is clean and that the disc's slits are clear of any foreign matter.

3. Install the rotor shaft and its retaining screw.




COVER:
Install the cover so that the cover's indentation "A" is aligned with the housing's notch "B".

INSTALLATION OF DISTRIBUTOR:

1. Turn the crankshaft so that the No.1 cylinder is at top dead center.

Distributor Housing To Drive Gear Alignment Marks:





2. Align the distributor housing and gear mating marks.

Distributor Housing To Mounting Stud Alignment Mark:





3. Install the distributor to the engine while aligning the fine cut (groove) on the distributor's installation flange with the center of the distributor installation stud.