lemon-mirror:
Home >> Hummer >> 2010 >> H3 L5-3.7L >> Repair and Diagnosis >> Powertrain Management >> Emission Control Systems >> Continuous Trap Oxidizer >> Service and Repair

Continuous Trap Oxidizer: Service and Repair




Exhaust Particulate Filter Replacement (NT4)

Removal Procedure
Warning: Refer to Hot Exhaust System Warning (Hot Exhaust System Warning).

Warning: Refer to Protective Goggles and Glove Warning (Protective Goggles and Glove Warning).


1. Raise and support the vehicle. Refer to Lifting and Jacking the Vehicle (Service and Repair).
2. Remove the right side torsion bar.Refer to Front Torsion Bar Replacement (Service and Repair)
3. Remove the crossmember bar.Refer to Crossmember Replacement (Crossmember Replacement)




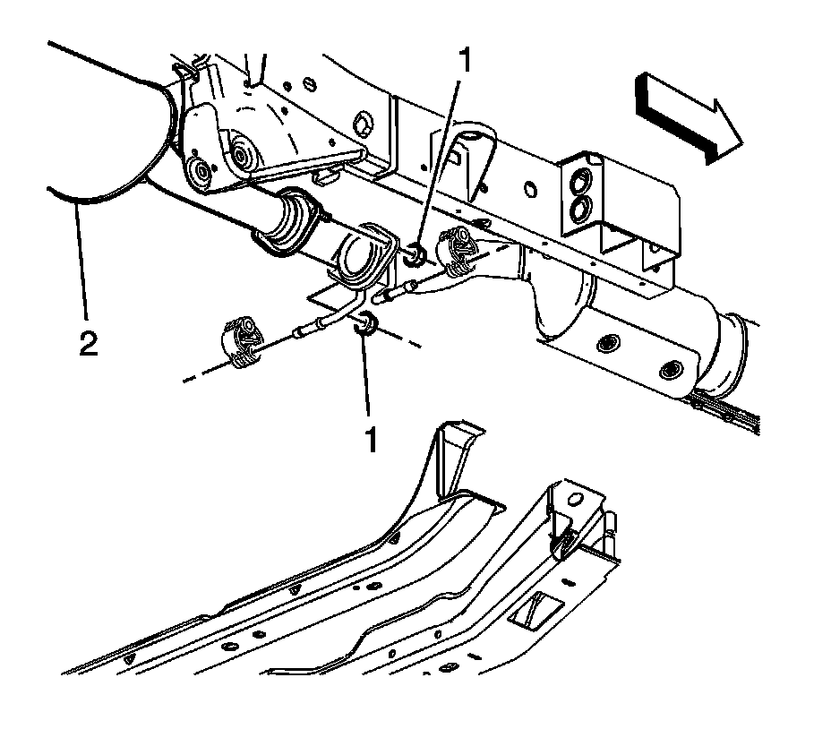
4. Separate the rear exhaust muffler (2) from the diesel particulate filer with the nuts (1).
5. Support the rear muffler to the frame.




6. Remove the diesel particulate filter (DPF) pressure pipes (3).
7. Disconnect the exhaust temperature sensor.
8. Remove the exhaust front flexible pipe nuts (1) and discard the gasket (2).
9. Remove the diesel particulate filter (DPF).

Installation Procedure




1. Apply lubricant to the exhaust insulators.

Caution: Refer to Fastener Caution (Fastener Caution).

2. Install the diesel particulate filter (DPF) to the rear muffler (2) with the nuts (1) and tighten to 45 Nm(33 lb ft).




3. Install the exhaust flexible pipe to the diesel particulate filter (DPF) (4) with the nuts (1) and NEW gasket (2).Tighten to 25 Nm(18 lb ft).
4. Install the differential pressure pipes (3).
5. Connect the exhaust temperature sensor.
6. Install the transfer case.Refer to Transfer Case Assembly Replacement (Transfer Case Assembly Replacement)
7. Install the right side torsion bar.Refer to Front Torsion Bar Replacement (Service and Repair)
8. Lower the vehicle.
9. Inspect the exhaust system for leaks and underbody clearance.