lemon-mirror:
Home >> Hummer >> 2010 >> H3 L5-3.7L >> Repair and Diagnosis >> Powertrain Management >> Computers and Control Systems >> Variable Valve Timing Solenoid >> Service and Repair

Variable Valve Timing Solenoid: Service and Repair




Camshaft Position Actuator Solenoid Valve Replacement

Removal Procedure




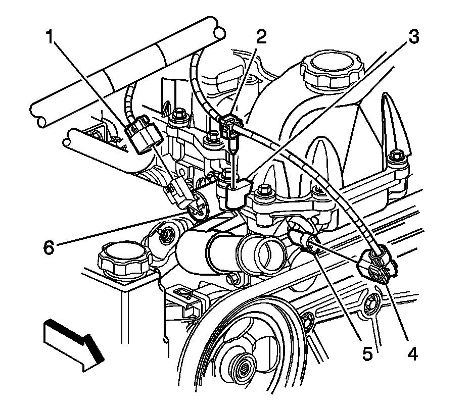
1. Disconnect the engine wiring harness electrical connector (1) from the camshaft position (CMP) actuator solenoid valve (6).




2. Remove the CMP actuator solenoid valve bolt (3).
3. Remove the CMP actuator solenoid valve (2) from the cylinder head.
Discard the O-ring seal.
4. Clean debris from the hole (1).

Installation Procedure




1. Install a new O-ring seal to the actuator solenoid valve (2).
2. Lightly lubricate the O-ring seal with clean engine oil.
3. Install the CMP actuator solenoid valve (2) into the cylinder head.

Caution: Refer to Fastener Caution (Fastener Caution).

4. Install the camshaft position actuator solenoid valve bolt (3).

Tighten the bolt to 10 Nm (89 lb in).




5. Connect the engine wiring harness electrical connector (1) to the CMP actuator solenoid valve (6).