lemon-mirror:
Home >> Hummer >> 2010 >> H3 L5-3.7L >> Repair and Diagnosis >> Powertrain Management >> Computers and Control Systems >> Oil Pressure Sensor >> Service and Repair

Oil Pressure Sensor: Service and Repair




Engine Oil Pressure Sensor and/or Switch Replacement

Removal Procedure




1. Remove the engine shield. Refer to Engine Shield Replacement (Engine Shield Replacement).
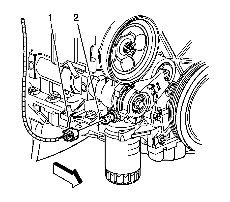
2. Disconnect the oil pressure switch electrical connector (1).




3. Remove the engine oil pressure switch.

Installation Procedure





Caution: Refer to Component Fastener Tightening Caution (Component Fastener Tightening Caution).

1. Install the engine oil pressure switch.

Tighten the switch to 20 Nm (15 lb ft).




2. Connect the oil pressure switch electrical connector (1).
3. Install the engine shield. Refer to Engine Shield Replacement (Engine Shield Replacement).