lemon-mirror:
Home >> Hummer >> 2010 >> H3 L5-3.7L >> Repair and Diagnosis >> Engine, Cooling and Exhaust >> Engine >> Timing Components >> Timing Chain >> Service and Repair

Timing Chain: Service and Repair




Camshaft Timing Chain and Sprocket Replacement

Special Tools
* J 44221 Camshaft Holding Tool
* J 45059 Angle Meter

Removal Procedure

1. Remove the number 1 cylinder spark plug. Refer to Spark Plug Replacement (Service and Repair).
2. Remove the camshaft cover. Refer to Camshaft Cover Replacement (Service and Repair).
3. Remove the exhaust camshaft position (CMP) sensor. Refer to Camshaft Position Sensor Replacement - Exhaust (Camshaft Position Sensor Replacement - Exhaust).
4. Remove the intake CMP sensor. Refer to Camshaft Position Sensor Replacement - Intake (Camshaft Position Sensor Replacement - Intake).
5. Remove the engine front cover. Refer to Engine Front Cover Replacement (Service and Repair).
6. Rotate the crankshaft in the engine rotational direction clockwise, until the number 1 piston is at top dead center (TDC) on the compression stroke.




Warning: Refer to Camshaft Holding Tool Warning (Camshaft Holding Tool Warning).

7. Install the J 44221 to the rear of the camshafts.




8. Release the tension on the timing chain by moving the tensioner shoe in.




9. Place the tee into the tensioner to hold the shoe in place.




10. Remove and discard the exhaust camshaft position actuator bolt.
11. Remove the exhaust camshaft position actuator.




12. Remove and discard the intake camshaft sprocket bolt.
13. Remove the intake camshaft sprocket.
14. Remove the timing chain.
15. Remove the crankshaft sprocket.
16. Clean and inspect the timing chain and sprockets. Refer to Camshaft Timing Chain and Sprocket Cleaning and Inspection (50. Camshaft Timing Chain and Sprocket Cleaning and Inspection).

Installation Procedure





Note: Ensure the number 1 piston is at TDC. The pin on the crankshaft for the timing chain sprocket should be straight up.

1. Install the crankshaft sprocket to the crankshaft snout.

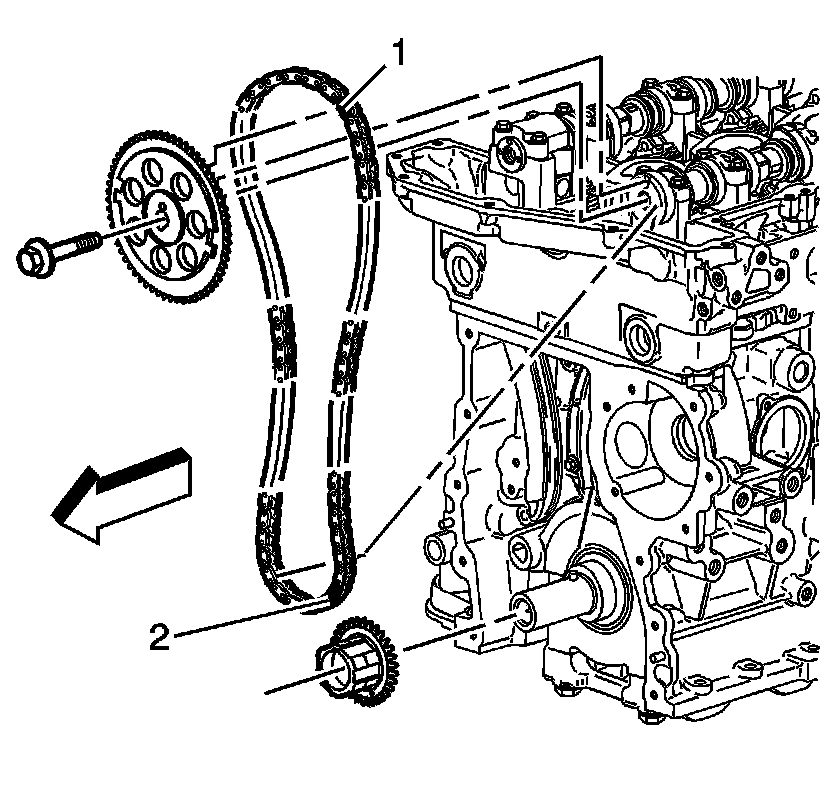
Note: Every 7th link of the timing chain is darkened to aid in aligning the timing marks.

2. Install the intake camshaft sprocket into the timing chain.
Aligning the dark link (1) of the timing chain with the timing mark on the intake camshaft sprocket.
3. Feed the timing chain down through the opening in the cylinder head.
4. Install the timing chain on the crankshaft sprocket.
Aligning the dark link (2) of the timing chain with the timing mark on to the crankshaft sprocket.

Note: Ensure the alignment pin is properly engaged with the camshaft

5. Install the intake camshaft sprocket onto the intake camshaft.





Caution: Refer to Fastener Caution (Fastener Caution).

6. Install a NEW intake camshaft sprocket bolt.
Tighten the bolt a first pass to 20 Nm (15 lb ft). Using the J 45059 rotate the bolt a final pass an additional 100 degrees.




7. Install the exhaust camshaft actuator into the timing chain.
Aligning the dark link (1) of the timing chain with the timing mark (1) on the exhaust camshaft position actuator sprocket.

Note:
* To aid in aligning the actuator to the camshaft, use a 25 mm (1 in) wrench on the hex of the camshaft to rotate
* Ensure the alignment pin is properly engaged with the camshaft

8. Install the exhaust camshaft actuator onto the exhaust camshaft.




9. Install a NEW exhaust camshaft actuator bolt.
Tighten the bolt a first pass to 25 Nm (18 lb ft). Using the J 45059 rotate the bolt a final pass an additional 135 degrees.




10. Remove the tee in the timing chain tensioner in order to regain tension on the timing chain.




11. Remove the J 44221 from the camshafts.




12. The dark links (1) on the timing chain should be aligned with the marks on the sprockets as shown.
13. Install the engine front cover. Refer to Engine Front Cover Replacement (Service and Repair).
14. Install the intake CMP sensor. Refer to Camshaft Position Sensor Replacement - Intake (Camshaft Position Sensor Replacement - Intake).
15. Install the exhaust CMP sensor. Refer to Camshaft Position Sensor Replacement - Exhaust (Camshaft Position Sensor Replacement - Exhaust).
16. Install the camshaft cover. Refer to Camshaft Cover Replacement (Service and Repair).
17. Install number 1 cylinder spark plug. Refer to Spark Plug Replacement (Service and Repair).