lemon-mirror:
Home >> Hummer >> 2009 >> H3 L5-3.7L >> Repair and Diagnosis >> Starting and Charging >> Charging System >> Alternator >> Service and Repair >> Generator Bracket Replacement

Generator Bracket Replacement




Generator Bracket Replacement (LLR) (3.7L)

Removal Procedure




1. Remove the generator. Refer to Generator Replacement (LLR) (Generator Replacement)Generator Replacement (LH8) (Generator Replacement).
2. Remove the drive belt idler pulley. Refer to Drive Belt Idler Pulley Replacement (Service and Repair).
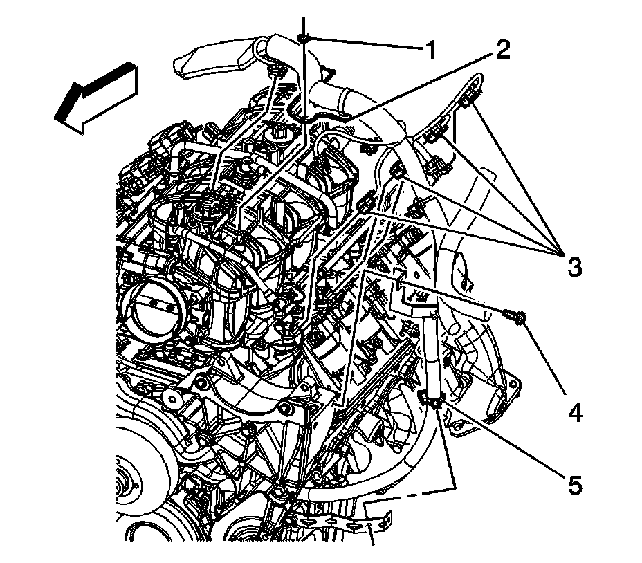
3. Remove the engine wiring harness bracket bolt (4).
4. Reposition the engine wiring harness bracket out of the way.
5. Disconnect the power steering gear inlet and outlet hose.Refer to Power Steering Gear Inlet and Outlet Hose Replacement (LLR) (Service and Repair)Power Steering Gear Inlet and Outlet Hose Replacement (LH8) (Service and Repair)




6. Remove the generator bracket bolts.
7. Remove the generator bracket,with the power steering pump attached,from the vehicle.
8. Transfer power steering pump.Refer to Power Steering Pump Replacement (LH8) (Power Steering Pump Replacement)Power Steering Pump Replacement (LLR) (Power Steering Pump Replacement)

Installation Procedure




1. Position the generator bracket in the vehicle.

Caution: Refer to Fastener Caution (Fastener Caution).

2. Install the generator bracket bolts.

Tighten the bolts to 50 Nm (37 lb ft).




3. Position the engine wiring harness bracket to the generator bracket.
4. Install the engine wiring harness bracket bolt (4).

Tighten the bolt to 40 Nm (29.5 lb ft).

5. Install the drive belt idler pulley. Refer to Drive Belt Idler Pulley Replacement (Service and Repair).
6. Install the generator. Refer to Generator Replacement (LLR) (Generator Replacement)Generator Replacement (LH8) (Generator Replacement).