lemon-mirror:
Home >> Hummer >> 2009 >> H3 L5-3.7L >> Repair and Diagnosis >> Powertrain Management >> Ignition System >> Ignition Coil >> Service and Repair

Ignition Coil: Service and Repair




Ignition Coil Replacement

Removal Procedure

1. Remove the air cleaner resonator and outlet duct. Refer to Air Cleaner Resonator and Outlet Duct Replacement (Air Cleaner Resonator and Outlet Duct Replacement).




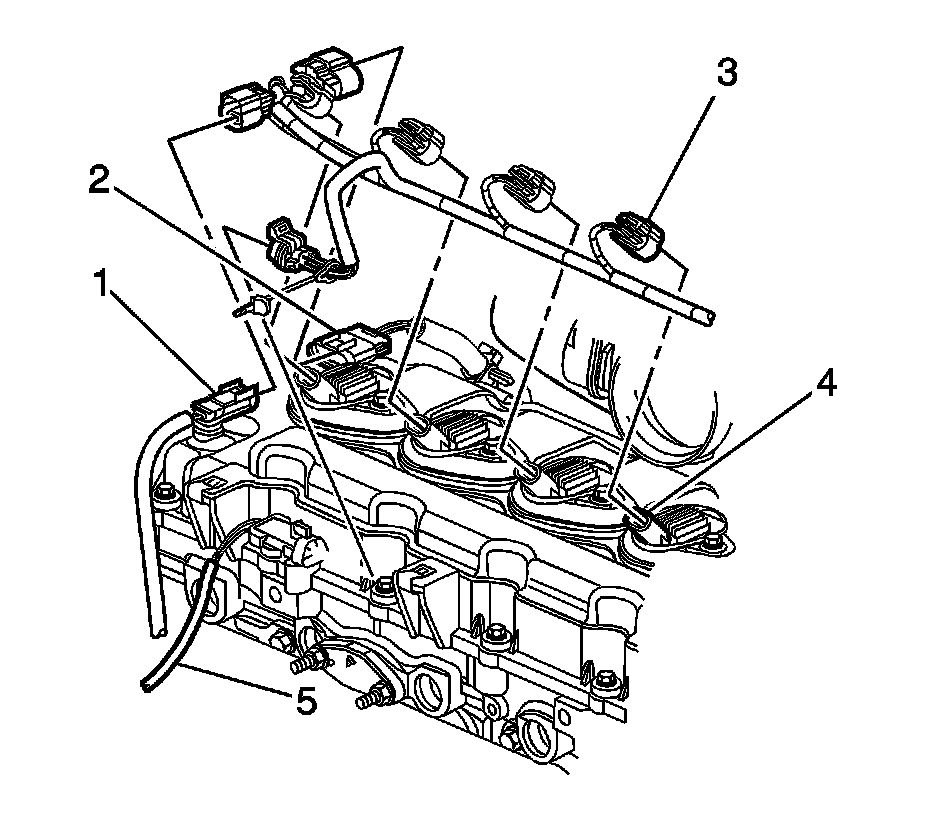
2. Disconnect the ignition coil connectors (3) from the ignition coils (4).




3. Remove the ignition coil bolts.
4. Remove the ignition coils from the camshaft cover.

Installation Procedure





Note: Ensure the ignition coil seals are properly seated to the camshaft cover.

1. Install the ignition coils into the camshaft cover.

Caution: Refer to Fastener Caution (Fastener Caution).

2. Install the ignition coil bolts.

Tighten the bolts to 10 Nm (89 lb in).




3. Connect the ignition coil connectors (3) to the ignition coils (4).
4. Install the air cleaner resonator and outlet duct. Refer to Air Cleaner Resonator and Outlet Duct Replacement (Air Cleaner Resonator and Outlet Duct Replacement).