lemon-mirror:
Home >> Hummer >> 2009 >> H2 V8-6.2L >> Repair and Diagnosis >> Starting and Charging >> Starting System >> Starter Motor >> Service and Repair

Starter Motor: Service and Repair




Starter Motor Replacement

Removal Procedure
Warning: Refer to Battery Disconnect Warning (Service Precautions).





1. Disconnect the negative battery cable. Refer to Battery Negative Cable Disconnection and Connection (Battery Negative Cable Disconnection and Connection).
2. Raise and suitably support the vehicle. Refer to Lifting and Jacking the Vehicle (Service and Repair).




3. Remove the engine protective shield. Refer to Engine Protection Shield Replacement (Service and Repair).
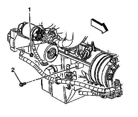
4. Remove the transmission cover bolt.




5. Remove the starter bolts.
6. Disconnect the oil level sensor electrical connector.
7. Slide the starter forward until the starter clears the transmission.




8. Remove the starter lead nut (3).
9. Remove the starter lead (2) from the starter.




10. Remove the positive cable nut (2).
11. Remove the positive cable from the starter.




12. Place the starter on a workbench.
13. Unsnap the transmission cover from the starter.




14. Remove the starter heat shield.

Installation Procedure




1. Install the starter heat shield.




2. Snap the transmission cover to the starter.




3. Install the positive cable to the starter.

Caution: Refer to Fastener Caution (Fastener Caution).

4. Install the positive cable nut (2).

Tighten the positive cable nut to 9 Nm (80 lb in).




5. Install the starter lead (2) to the starter.
6. Install the starter lead nut (3).

Tighten the starter lead nut to 3.4 Nm (30 lb in).




7. Position the starter into place.
8. Install the starter bolts.

Tighten the starter bolts to 50 Nm (37 lb ft).

9. Connect the oil level sensor electrical connector.




10. Install the transmission cover bolt.

Tighten the transmission cover bolt to 9 Nm (80 lb in).

11. Install the engine protective shield. Refer to Engine Protection Shield Replacement (Service and Repair).
12. Lower the vehicle.




13. Connect the negative battery cable. Refer to Battery Negative Cable Disconnection and Connection (Battery Negative Cable Disconnection and Connection).