lemon-mirror:
Home >> Hummer >> 2009 >> H2 V8-6.2L >> Repair and Diagnosis >> Powertrain Management >> Ignition System >> Camshaft Position Sensor >> Service and Repair

Camshaft Position Sensor: Service and Repair




Camshaft Position Sensor Replacement

Removal Procedure

Note: Clean the area around the camshaft position (CMP) sensor before removal in order to prevent debris from entering the engine.




1. Remove the engine sight shield. Refer to Upper Intake Manifold Sight Shield Replacement (Upper Intake Manifold Sight Shield Replacement).
2. Disconnect the CMP sensor electrical connector.
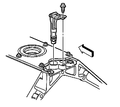
3. Remove the CMP sensor bolt.
4. Remove the CMP sensor.

Installation Procedure




1. Install the CMP sensor.
Caution: Refer to Fastener Caution (Fastener Caution).

2. Install the CMP sensor bolt.

Tighten the bolt to 25 Nm (18 lb ft).

3. Connect the CMP sensor electrical connector.
4. Install the engine sight shield. Refer to Upper Intake Manifold Sight Shield Replacement (Upper Intake Manifold Sight Shield Replacement).