lemon-mirror:
Home >> Hummer >> 2009 >> H2 V8-6.2L >> Repair and Diagnosis >> Heating and Air Conditioning >> Control Module HVAC >> Service and Repair >> HVAC - Automatic >> HVAC Control Module Replacement

HVAC Control Module Replacement




HVAC Control Module Replacement

Removal Procedure




1. Remove the center instrument panel (I/P) air outlet bezel. Refer to Instrument Panel Center Air Outlet Bezel Replacement (Instrument Panel Center Air Outlet Bezel Replacement).
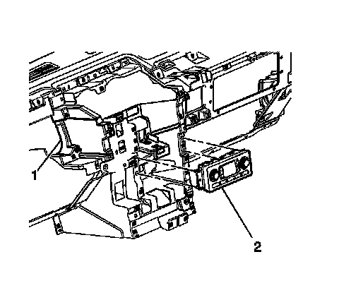
2. Remove the screws from the HVAC control module (2).
3. Reposition the HVAC control module (2) from the I/P panel (1).
4. Disconnect the electrical connectors from the HVAC control module (2).

Installation Procedure

Note: The key should be in the off position when connecting the electrical connectors to ensure proper calibration.




1. Connect the electrical connectors to the HVAC control module (2).

Note: Ensure that the HVAC control module tabs lock into place.

2. Install the HVAC control module (2) to the I/P (1).

Caution: Refer to Fastener Caution (Fastener Caution).

3. Install the screws to the HVAC control module (2).

Tighten the screws to 1.9 Nm (17 lb in).

4. Install the center I/P air outlet bezel. Refer to Instrument Panel Center Air Outlet Bezel Replacement (Instrument Panel Center Air Outlet Bezel Replacement).

Note: Do not adjust any controls on the HVAC control module while the HVAC control module is calibrating.

If interrupted improper HVAC performance will result.

5. Start the vehicle and let run for one minute.