lemon-mirror:
Home >> Hummer >> 2008 >> H3 L5-3.7L >> Repair and Diagnosis >> Body and Frame >> Frame >> Trailer Hitch >> Service and Repair

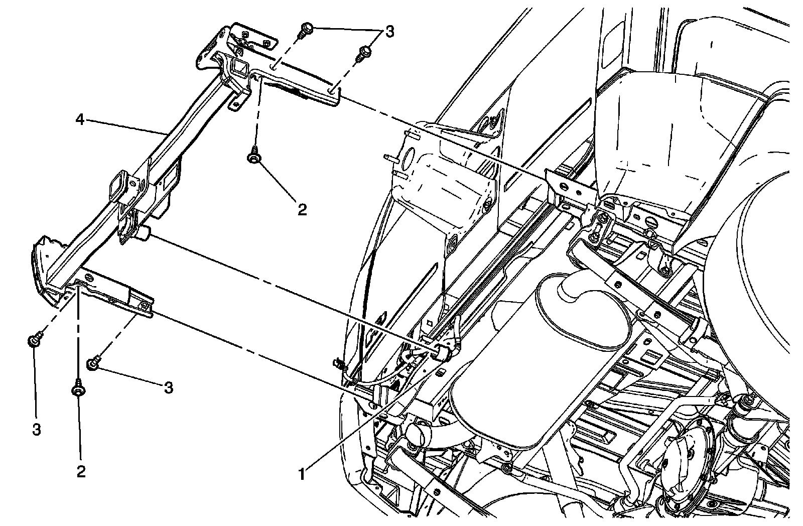
Trailer Hitch: Service and Repair



Trailer Hitch Replacement