lemon-mirror:
Home >> Hummer >> 2008 >> H3 L5-3.7L >> Repair and Diagnosis >> Body and Frame >> Frame >> Skid Plate >> Service and Repair >> Engine Shield Replacement

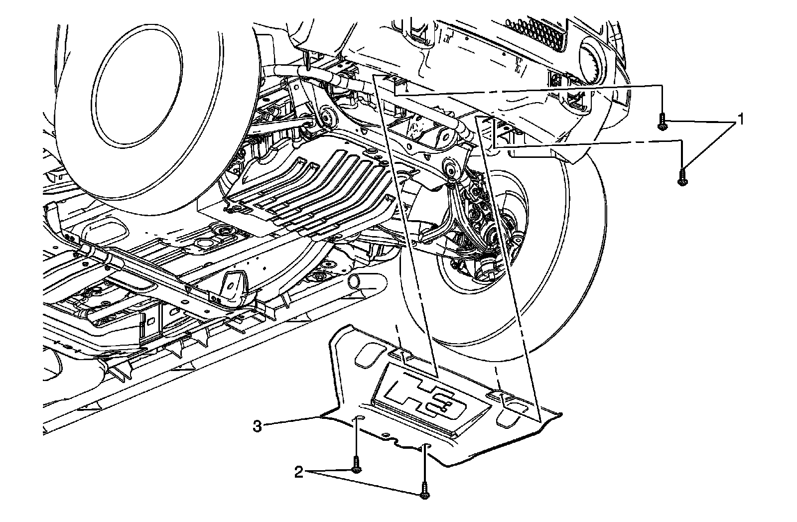
Engine Shield Replacement



Engine Shield Replacement