lemon-mirror:
Home >> Hummer >> 2008 >> H2 V8-6.2L >> Repair and Diagnosis >> Wiper and Washer Systems >> Wiper Control Module >> Service and Repair

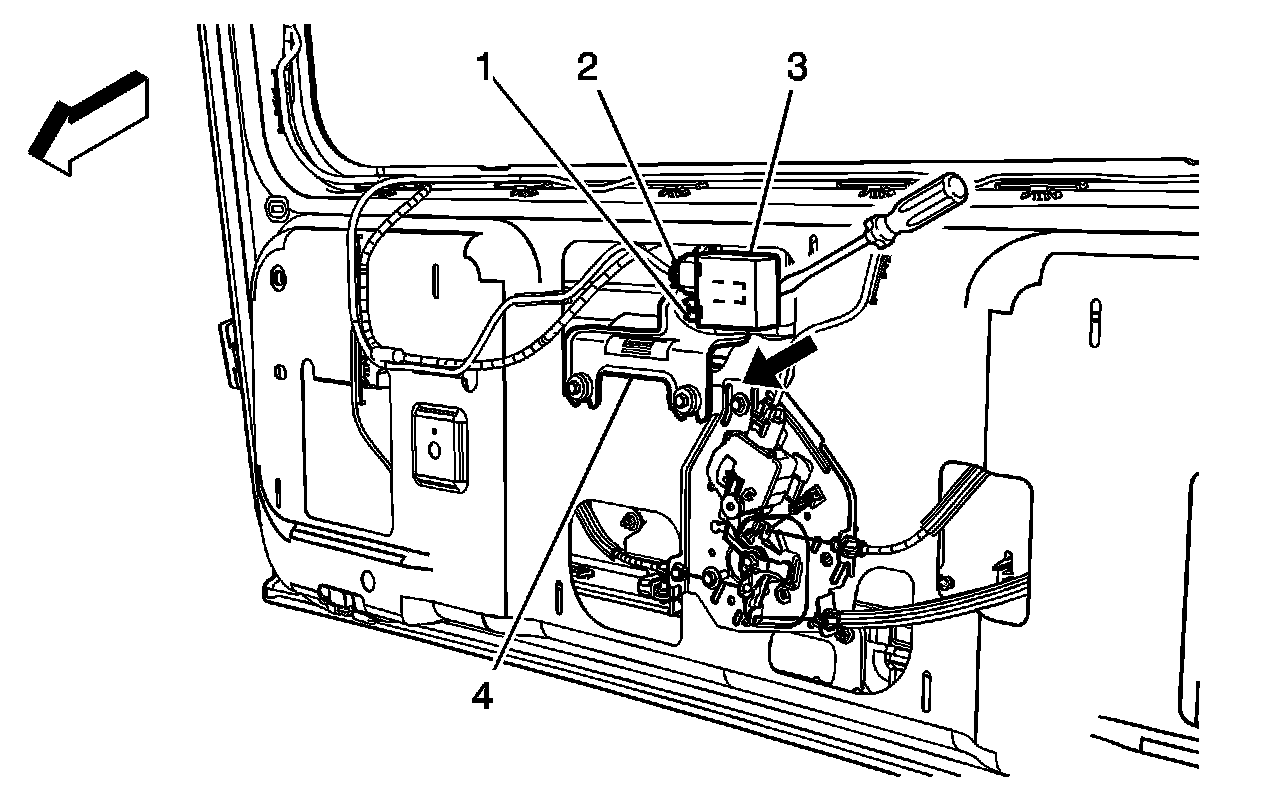
Wiper Control Module: Service and Repair



Rear Window Wiper Control Module Replacement