lemon-mirror:
Home >> Hummer >> 2008 >> H2 V8-6.2L >> Repair and Diagnosis >> Windows and Glass >> Windows >> Window Track >> Service and Repair >> Midgate Window Channel Replacement

Midgate Window Channel Replacement



Midgate Window Channel Replacement

Removal Procedure

1. Remove the midgate inner panel. Refer to Midgate Inner Panel Replacement () .




2. Remove the midgate window. Refer to Midgate Window Replacement (Removal and Replacement) .




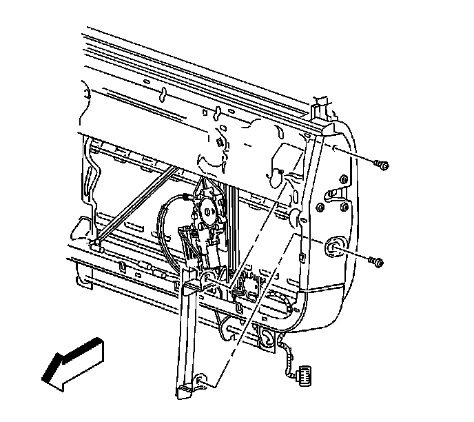
3. Remove the screws retaining the midgate window run channels.
4. Disconnect the electrical connectors.
5. Remove the wiring harness retainer from the window run channel brackets.
6. Remove the window run channels from the midgate.



Installation Procedure





1. Install the midgate window run channels to the midgate.
2. Loosely install the screws retaining the midgate window run channels to the midgate.
3. Install the wiring harness retainer to the window run channel bracket.




4. Install the midgate window. Refer to Midgate Window Replacement (Removal and Replacement) .
5. Connect the electrical connectors.

Notice: Refer to Fastener Notice (Fastener Notice) .

6. Finish tightening the screws retaining the window run channels to the midgate.

Tighten the screws to 10 N.m (89 lb in).

7. Adjust the midgate window, if necessary. Refer to Midgate Window Adjustment (Adjustments) .
8. Install the midgate inner panel. Refer to Midgate Inner Panel Replacement () .