lemon-mirror:
Home >> Hummer >> 2007 >> H3 L5-3.7L >> Repair and Diagnosis >> Powertrain Management >> Computers and Control Systems >> Manifold Pressure/Vacuum Sensor >> Service and Repair

Manifold Pressure/Vacuum Sensor: Service and Repair



Manifold Absolute Pressure Sensor Replacement

Removal Procedure




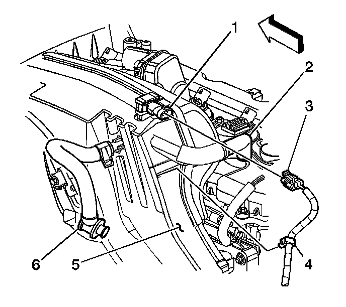
1. Disconnect the manifold absolute pressure (MAP) sensor electrical connector (3).




2. Press the retainer locking tabs inward, then pull the retainer (1) up to remove.
3. Remove the MAP sensor (2) from the intake manifold (3).
4. Inspect the MAP sensor seal for damage, and replace as necessary.

Installation Procedure




1. Lightly lubricate the MAP sensor seal with clean engine oil, to aid in installation.
2. Install the MAP sensor (2) into the intake manifold (3).
3. Install the MAP sensor retainer (1).




4. Connect the MAP sensor electrical connector (3).